2024年10月16日 双馈风力发电实验系统,双馈风力发电实验装置
SBXNY-SK05T双馈风力发电实验系统
一、产品概述
双馈风力发电实验系统,双馈风力发电实验装置、风力发电机组装调与运维实训室设备、采用变速恒频控制的双馈异步发电机组,可以完成大功率双馈风电机组的风力机模拟和运行操作训练。

双馈发电系统(仅限参考)
二、产品特点
1)模拟真实风力发电机的启动、并网、正常运行和停机过程,具备模拟机组变速调节能力,有功、无功的调节能力;
2)风速模型不仅可设定典型几种风速曲线,支持导入实际测量得到的风速―时间数据;
3)FaceView实验主控软件执行机组运行状态流程控制和数据记录、显示、系统监控等功能;
4)实现风速和风力机模拟,机组并网控制,机组最大功率运行控制,机组恒速运行,机组限功率运行,机组低电压穿越,机组脱网控制等控制功能;
5)背靠背变流器可实现直流侧电压的初始状态进行设定,实现单位功率因数并网,实现风力发电机在故障条件下不脱网运行,低电压穿越的功能,支持风机的低电压穿越实验;
6)软件分析风力发电的数据与运行特性,能够显示异常时的故障原因;
7)RS485接口,提供开放式MODBUS规约接入监控系统;
8)完善的保护功能,包括过电压保护、过电流保护、过温保护、超速保护、短路保护,可以实现低电压穿越以及外接电源电压不稳定时保护实验;
注:带醒目的危险标识,如:有电危险、运行时请勿打开、严谨带电操作等。

双馈实验系统结构图
三、系统运行技术参数
2.1
工作条件
²输入电压:三相四线~380V±10%
50Hz
²装置容量:≤5.0kW
²海拔:0~2000m;
²环境温度:-10℃~+50℃;
²环境相对湿度: 10~90%(25℃);
²大气压力范围:1个标准大气压范围;
²室内安装;
²平台必须水平安装;
²设备正常使用年限:≥20年;
²环境要求:环境通风良好,不含易燃、腐蚀性气体;
2.2
实验平台的基本尺寸:
²实验台:1400×400×400;(长×深×高,mm)
²变流器:800×800×2000;
²主控柜:800×800×2000;
²注:实验平台分两排布置,预计占地面积 4m×4m
2.2
定制双馈变流器系统
风电变流器包括双馈风机变流器、全功率变流器和PWM整流器,均为我司自主研发,根据高校和研究所客户要求定制开发,具有功能完善、产品可靠、开放性强、保护严格等特点。

双馈风电机组图及变流器内部图
模拟风力发电系统的变流器由AC-DC-AC PWM变换器来实现,前级交流输入可选接入交流/直流电网,根据设定的风速,将相应能量注入到直流母线上,后级交流输出接交流母线,将输入的能量注入到配电/微电网。该变流器为定制产品,根据用户的要求设计。
功能特点如下:
²机侧矢量控制,网侧矢量解耦P/Q控制;
²电网电压在-3%~+7%范围内波动时能正常运行;
²并网满载电流总谐波畸变率5%以下;
²过流/过压/过温保护,分硬件保护和软件保护;
²具备低电压穿越功能;
²提供直流侧外接其他电气设备的接口;
²支持电网不平衡度小于 10%时正常发电运行;
²支持较宽的运行速度范围:700-2000RPM;
5.0 kW背靠背变流器主要指标
|
项目指标 |
参数特性 |
项目指标 |
参数特性 |
|
变流器拓扑结构 |
双级背靠背 |
后级控制方式 |
稳定直流电压 |
|
额定流功率 |
5.0kW |
后级功率因数 |
>0.99 |
|
额定交流电流 |
15A |
直流母线电压 |
600V |
|
额定交流电压 |
380V |
最大直流电流 |
22A |
|
额定电网频率 |
50Hz |
电流总谐波畸变率(THD) |
<3%(额定功率) |
|
允许电网频率 |
48~50.5Hz |
最大效率 |
95% |
|
前级控制方式 |
功率控制 |
待机状态功耗 |
<40W |
|
前级功率因数 |
>0.99 |
冷却方式 |
强迫风冷 |
|
防护等级 |
IP21 |
标准通讯方式 |
RS485 |
2.3
设备主要配置参数
|
驱动变频器 |
容量等级 |
5.5KW |
|
电压等级 |
380V |
|
电机类型 |
异步/永磁同步电动机 |
|
调速范围 |
0-2000RPM |
|
控制方式 |
有PG矢量控制,弱磁控制 |
|
接口类型 |
RS485 |
|
控制环路 |
速度闭环,力矩闭环 |
|
精度 |
电压、电流、转速、位置、转矩的信号测量 |
|
定制变流器 |
功率等级 |
5.5KW |
|
电压等级 |
380V |
|
功率拓扑 |
二电平背靠背 |
|
外形尺寸 |
(宽×深×高,mm)800×600×1600 |
|
电动机 |
额定功率 |
5.5KW |
|
额定转速 |
1500RPM |
|
同步转速 |
1800RPM |
|
额定电压 |
380V |
|
功率因数 |
0.9 |
|
发电机 |
类
型 |
双馈发电机 |
|
额定功率 |
5.0kW |
|
额定电压 |
380V |
|
额定频率 |
50Hz |
|
额定转速 |
1500rpm |
|
转速范围 |
0-2000rpm |
|
绝缘等级 |
F级 |
四、双馈系统低电压穿越与实验
3.1
电网电压跌落的危害
²对双馈风电机组来说:
²出现的过电流会损坏电力电子器件;
²DC端过电压,将威胁直流侧元器件;
²附加的转矩、应力过大则会损坏风电机组的机械部件;
²对电网来说:
²引起电网频率降低;
²引起电网线压降低;
²引发联锁效应,导致大面积电网瘫痪。
3.2
低电压穿越LVRT定义及意义
²当电网故障或扰动引起风电场并网点的电压跌落时,在电压跌落的范围内,风电机组能够不间断并网运行。
²它对系统由较为重要的意义:
²风机能够不脱网持续运行;
²能够对电网进行动态无功功率Q支撑;
²有助于有功功率P恢复;
3.3
国内低电压穿越标准
²对于低电压穿越,要求如下图所示,方案完全遵循此标准:

低电压穿越标准
²并网点电压跌至20%额定电压时,保证不脱网连续运行625ms
;
²跌落后2s 内恢复到额定电压的90%时,不脱网连续运行。
²无功支撑:响应时间不大于75ms,持续时间不少于550ms
;无功电流满足IT≥1.5×(0.9-UT)IN
,(0.2≤UT≤0.9)
²有功恢复:故障切除后以至少10%额定功率/秒的功率恢复到故障跌落前的功率;
3.4
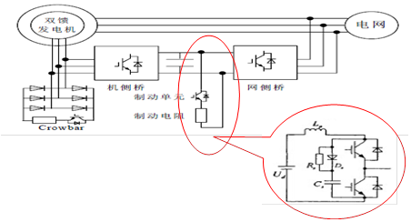
低电压穿越LVRT实验方案介绍
主要为在变流器上添加Crowbar和Chopper电路,并在变流器中进行相应控制:
Crowbar:其响应时间短,能够保护变流器IGBT、吸收和衰减畸变电流和谐波电流
Chopper:主要考虑单管吸收回路的设计,不同于Crowbar的投切工作方式,Chopper装置在运行过程中会进行100Hz左右的斩波动作,大电流关断时的尖峰很容易导致IGBT过压实效。因此设计了RCD吸收回路和低感功率回路。

双馈机组Crowbar

双馈机组Chopper
其软件部分逻辑如下:

双馈机组LVRT软件逻辑

低穿实验波形1

低穿实验波形2

低穿实验波形3
五、双馈系统实验主控软件
FaceView实验主控软件具有风速特性模拟和风机主控功能,能模拟几种典型风速如:微风、阵风、持续大风、持续中速风、或四种风速合成特性。主控和风机模拟的参数修改权限向用户开放,用户可以自由定制风力机特性,选配接收实际的测风仪数据。主控功能实现机组并网控制,恒速运行,限功率运行,降功率运行,低电压穿越,机组脱网控制。
²FaceView监测以下参量:
²风速、风轮转速;
²驱动电机转子位置/速度、电流、电压、功率、输出转矩;
²发电机转子位置/速度、电流、电压、功率、输出转矩;
²变流器直流电压;
²网侧变流器输出电压、电流、功率;
²电网电压、电流、功率。

风力发电模拟界面

曲线观测界面

参数设定界面

低电压实验
六、开放双馈风电变流器系统(说明)
算法类的函数开放,用户可以按照自己的算法修改、调用,如整流、逆变、电机控制的SVPWM和低电压穿越算法。
开放内容如下:
1)双馈变流器所有电路板硬件原理图及BOM表(pdf版本):控制板,电源板,信号板,电容板;
2)双馈变流器柜电气原理图及BOM表(pdf版本);
3)开放控制板的debug接口,客户可以烧写自己的程序;
4)双馈变流器通讯协议(RS485)(免费);
5)双馈变流器使用手册(免费);
6)双馈变流器编程手册pdf版;
双馈变流器软件低电压穿越算法、整流器SVPWM算法和电机控制SVPWM算法的工程源文件,包括程序主框架、硬件驱动功能、硬件配置功能、通讯功能、保护功能、编码器功能、采样功能、锁相环功能、滤波函数等。低电压穿越算法、整流器SVPWM算法和电机控制SVPWM算法用户可以修改、调用。
双馈风电实验系统现场图如下:

七、实验室智慧用电安全控制系统
智能电源管理系统具有过温、短路、过流、过压、欠压、失压、功率限定7大保护功能;电源具有一键锁定功能,处理故障时,防止漏电保护器合闸,造成触电危险;电源具有故障锁定功能,发生故障导致跳闸时,不能人为上电,只能通过远程清除故障后,才能上电成功;能通过无线4G和有线以太网与手机APP和PC端云平台通讯,没有网络的情况下,教室整套智能电源管理系统可离线独立运行。
1、智能终端:智能电源管理系统以32位ARM为核心,采用4.3寸彩色触摸屏为人机交互界面,实时监控设备运行情况,提供Zigbee、CAN等多种通信模式,具备语音播报功能。能实时监测三相电压、电流、功率,功率因数、频率、电能等参数,液晶触摸屏监测数值。能监控实验室电源的故障类型和故障次数;设备时间管理包含年月日时间的显示;用户通过刷卡方式请求开启设备,PC端进行授权之后,设备可启动使用,PC端可分时预约设备的启动和停止!
2、手机APP:用电状态界面实时显示当前电压、电流、有无功功率、电能、设备温度、漏电电流值等;用电数据界面能智能查找近2年用电数据,设置界面能设置限定电能值、负载值、设备超温值、过欠压值、过欠压恢复时间值等。后台查看报警日志、操作日志、故障日志等。控制:可在微信小程序中远程控制智能开关的通断。
3、PC端软件:每个设备状态信息显示,具有多个子界面,具有故障分析,用电能效分析、集中管理、个人中心资料管理、用户报警定位跟踪与信息统计;具有管理员信息修改与权限管理等功能。可一键开启和关闭所有设备,可单独控制每台设备的开关!
4、后台系统:包含账号管理、设备管理、报修管理、用户管理,设备管理:
①包含监控管理:实时视频监控每个教室,可一键预览所有设备的在线和运行情况,分析设备使用率及运行时间!
②包含设备节点:可显示设备所在位置、编码名称、挂载情况、用户编辑、用户查询等。
5、报修管理:用户可进行远程报修,反应设备故障信息,编辑报修情况,后台可进行远程维护,及时跟进,以有效解决用户设备维护。
6、用户管理:可连通手机号,对账户进行一对一的安全加密,实名认证,防止账户泄密、防盗,现场数据连接云平台后台数据库管理。
现场需对功能逐一演示,提供有效、权威的证明文件,佐证该产品的可靠、安全、先进性。
提供实验室智慧用电安全控制系统的专利证明材料;
八、仿真规划软件
基于Unity3D软件,使用C#语言进行开发,采用My
Sql作为后台数据库,通过FTP协议与数据库进行通信。软件使用者通过使用光伏、风力、地热、生物质4种能源设计多能互补方案,完成区域能源的供能结构改造方案设计,并结合区域的气候数据,模拟区域内实时能耗与供能数据,从而优化出合理的能源结构。
7)用户管理功能:
注册:支持学生或教师按照学校名称和手机号码注册用户
登录:支持学生或教师根据手机号码或用户名登录系统。
找回密码:支持学生或教师根据手机号码找回密码
权限管理:支持主用户添加或删除子用户
用户信息管理:支持用户信息查看,包括用户名、学校、真实姓名、学号、上级用户等
异地登录:同一个账号24小时内只能在同一台电脑上登录,无法在其他电脑上登录。
8)气象数据库
支持查看全国超过32个城市的模拟地图气候数据。支持查看2013-2016年的精确到天的模拟地图气候数据,可自由设置日期进行查看。每个城市的气候数据均可查看:平均气温、最高最低气温、湿度、降水量、辐照量、气压、风速、土地湿度摄氏度等。
9)3D地图功能
支持教师通过3D地图上的模拟能耗布置相应学习任务,同时可以修改多种参数以最大化的适应不同实际情况,最后可以根据学生完成情况进行相应的评分。
根据项目及学习任务需要规划设计的区域面积大小,选择对应面积以及地形相似度高的区域,并定期更新可用的区域3d地图、加载在3D地图上的是真实的地形地貌,包含设计成虚拟的地形地貌、3D地图模型、山川、河流与树木;
支持修改光伏发电的相关评分参数:整机效率、最佳倾角、除组件和逆变器以外的其他成本参数等。
支持修改风力发电的相关评分参数:整机效率、风力波动(自定义风速的每小时波动数据以体现出风力发电机组随着每小时风速数据的变化,发电量在1天24小时内随机波动的特点;)
支持修改地热能的相关评分参数:换热能力、热协调参数、成本单价
支持修改生物质能的相关评分参数:生物质年供应、整机效率、生物质残余物平均能源折算系数、生物质平均谷草比系数、生物质残余物能源利用可获得系数、建设成本、燃料成本、运维成本等。同时可自动根据公司计算得出每年最大可建设的电站功率作为评分准则。
(最大生物质电站功率=年供应量*1000*平均能源折算系数*谷草比系数*残余物能源利用可获得系数/
3600/365/24)
设计区域内的5种用能建筑模型(底层住宅、交通枢纽、酒店、小高层、写字楼),通过设置每个建筑模型的最大功率、制冷制热能耗占比、每小时实际用电系数、日能耗时长,可以获得区域内建筑每小时、每天、全年的耗电情况以及制冷制热能耗需求;
可选择全国任意地区(精确城市)、任意气候时段作为区域能源模拟的目标区域,通过对比数据库可以得出当地经纬度、光伏组件全年最高、最低工作温度,并可以自动计算最大、最小电压、最大开路电压、最大直流电流等数据,可以自行比较同一模型不同规划方案的优劣,通过比较倾角偏差、组件逆变器功率比、间距误差、逆变器数量、生物质电站容量、浅层地热容量、风力电站布局、外部电力输入、外部电力波动、建设总成本等,可以对同一模型下的方案进行自动评分
命名:教师可以自行命名模型的名字
删除:教师可以对模型进行删除操作
九、可开设实验及科研教学内容
1)风力机模拟实验
2)低电压穿越实验
3)低电压穿越算法研究
4)直流母线电压控制实验
5)并网过程及连续实验
6)亚同步速、超同步速运行控制实验
7)风力发电并网功率因素调节
十、 实验项目表
|
编号 |
名称 |
学生人数 |
类型 |
|
1 |
异步电机空载实验 |
每套机组3~5人 |
设计型 |
|
2 |
异步电机负载实验 |
每套机组3~5人 |
设计型 |
|
3 |
双馈感应电机空载实验 |
每套机组3~5人 |
设计型 |
|
4 |
双馈感应电机负载实验 |
每套机组3~5人 |
设计型 |
|
5 |
风力发电机启动并网实验 |
每套机组5~8人 |
设计型 |
|
6 |
风力发电机正常停机实验 |
每套机组5~8人 |
设计型 |
|
7 |
风力发电机异常停机 |
每套机组5~8人 |
设计型 |
|
8 |
风力发电机正常运行实验 |
每套机组5~8人 |
设计型 |
|
9 |
风力发电机脱网保护实验 |
每套机组5~8人 |
设计型 |
|
新型电力系统运行与维护实训台 |
|
风光互补发电系统实训装置 |
|
多能互补综合能源制冷热泵系统实验平台 |
|
建筑智能物联网实训系统 |
|
冷却水温度自动控制实训装置 |
|
新能源风电运维实训装置 |
|
太阳能槽式聚光集热系统方案 |
|
太阳能光伏电源发电系统实训装置 |
|
风光储发电微电网实验系统 |
|
氢燃料电池教学平台 |
|
风光氢互补发电实训系统 |
|
太阳能光伏发电实验实训装置 |
|
双馈风力发电实验系统 |
|
风力发电系统教学实验平台 |
|
风力发电教学实验系统 |
|
风光互补发电实训平台 |
|
光伏发电实训系统 |
|
(分布式)5KW太阳能光伏并网发电教学系统 |
|
大型风力发电系统实训平台(工程型) |
|
小型风力发电风洞实训设备 |
|
小型风力发电实训装置 |
|
1KW永磁风力发电并网实验系统 |
|
光伏发电元件展示柜系统 |
|
质子交换膜燃料电池教具 |
|
燃料电池教学实验平台 |
|
太阳能光热光伏一体化教学实验平台 |
|
风光互补发电教学实验实训平台 |
|
太阳能光热教学实验平台 |
|
5KW光伏储能发电教学系统 |
|
太阳能光伏储能发电教学系统 |
|
海上风电结构海洋环境荷载模拟与测试实验系统 |
|
自动喷淋及消防栓灭火系统装置 |
|
通风排烟系统考核培训装置 |
|
防烟排烟系统实训装置 |
|
智能消防系统实训装置 |
|
智能楼宇报警控制实训设备 |
|
供热计量小型模拟实验装置 |
|
采暖系统模拟演示装置 |
|
碟式(斯特林)光热发电实训系统 |
|
风力发电实训室,风力发电实训平台 |
|
电梯工程实训室建设方案,电梯实训室设备 |
|
防控制中心、消防电话中心、消防广播中心 |
|
双层直梯教学实训平台 |
|
电梯安装与调整实训室设备 |
|
电梯工程技术专业实训设备 |
|
建筑电气与消防系统实训装置 |
|
自动扶梯维修与保养实训考核装置 |
|
自动扶梯维修与保养实训考核装置 |
|
电梯电气实训考核装置 |
|
电梯仿真教学模型 |
|
多层电梯实训模型 |
|
六层透明仿真教学电梯模型 |
|
实物电梯实训考核设备 |
|
电梯安装维修实训装置,电梯维修实训设备 |
|
暖通空调实训室设备、暖通空调实验室 |
|
家用电路实训装置 |
|
液晶电视维修教学实训考核装置 |
|
家电维修综合实训平台 |
|
智能电梯综合实训考核平台 |
|
多层电梯实训装置 |
|
消防电梯教学模型 |
|
透明仿真教学电梯模型 |
|
双联四层透明仿真教学电梯模型 |
|
双联六层透明仿真教学电梯模型 |
|
群控六层透明仿真教学电梯模型 |
|
六层透明仿真教学电梯模型 |
|
自动扶梯模拟设备 |
|
四层实物电梯实训考核设备 |
|
智能型群梯控制实训考核设备 |
|
电梯实训室建设方案,电梯实训装备 |
|
电梯安装与调整实训室设备 |
|
电梯电气控制装调实训考核装置 |
|
电梯安装维修与保养实训考核装置 |
|
智能电梯装调与维护实训设备 |
|
建筑智能化系统安装与调试实训平台 |
|
建筑消防联动综合仿真系统演示平台 |
|
建筑智能化综合实验系统 |
|
建筑水暖工实训装置 |
|
厨房管道设备安装与控制实验装置 |
|
卫生洁具安装维修实训装置 |
|
卫生室设备安装与控制实验装置 |
|
消防安防实验室设备,消防安防实验实训装置 |
|
智能停车场管理实训系统 |
|
建筑电气及消防系统综合实训装置 |
|
楼宇供配电及照明系统综合诊断装置 |
|
住宅楼一户一表及办公楼给排水系统诊断装置 |
|
消防广播电话系统实验实训装置 |
|
气体灭火系统实训装置 |
|
喷淋灭火系统实训装置 |
|
消火栓及预作式自动喷淋灭火系统实训装置 |
|
供暖系统测量控制实验装置 |
|
顺逆流传热温差实验台 |
|
热水供暖循环系统综合实训装置 |
|
热能地板辐射采暖系统实训装置 |
|
消防防烟排烟系统控制实训装置 |
|
楼宇智能化火灾报警及联动系统实训考核装置 |
|
楼宇照明系统实训装置 |
|
智能楼宇电工实训考证装置 |
|
楼宇供配电系统实训装置 |
|
给排水设备安装与控制装置 |
|
电动阀门控制安装实训装置 |
|
过程控制技能实训考核装置 |
|
高级过程控制系统实验装置 |
|
三容水箱综合控制系统实验平台 |
|
过程控制综合实验平台 |
|
过程控制综合实验装置 |
|
集散型过程控制综合实验装置 |
|
现场总线过程控制系统实验装置 |
|
楼宇供配电系统实训装置(LON总线型) |
|
楼宇供配电及照明系统综合实训装置 |
|
建筑工程消防及楼宇智能信息化实训室建设实施方案 |
|
楼宇消防自动化系统综合实训室,消防实训室参考方案 |
|
除湿机电气控制系统实训台 |
|
全工况多功能型除湿系统实训装置 |
|
安防实训考核装置 |
|
楼宇智能安防布线实训系统(工程型) |
|
保卫管理员实训室建设方案 |
|
网络安防技术实训台 |
|
终端式智能家居系统实验实训装置 |
|
物联网智能家居系统集成与运维平台 |
|
消防报警联动系统实训装置 |
|
消防供水管路安装实训装置 |
|
变频恒压供水系统实训装置 |
|
消防联动控制中心及灭火系统实训装置 |
|
消防联动控制中心及喷淋灭火系统实训装置 |
|
楼宇智能化工程实训室建设、楼宇智能化设备安装与运行 |
|
给排水管道安装实训装置 |
|
建筑给排水系统安装实训室,给排水实验室 |
|
消防实训室,消防电梯实训室,消防工程技术专业实训室 |
|
智能楼宇实训系统、智能建筑实训装置、消防培训设备,建筑供电实训装置 |
|
管道安装及控制实训装置 |
|
智能家居系统应用实训装置 |
|
楼宇智能控制实训装置 |
|
自动消防报警喷水灭火系统实训装置 |
|
消防自动报警与联动实训装置 |
|
楼宇供电及消防供电演示系统 |
|
楼宇电气理虚实一体化综合实验平台 |
|
楼宇供配电技术实训装置 |
|
PLC楼宇电气基础实验平台 |
|
楼宇供配电系统实训装置(LON总线型) |
|
楼宇照明系统实训装置(LON总线型) |
|
楼宇智能化工程实训装置 |
|
楼宇工程技能实训设备 |
|
建筑给排水电气及自动化实训系统 |
|
建筑供配电技术实训装置 |
|
建筑电气设备实验装置 |
|
建筑群设备间光纤传输系统实验实训装置 |
|
消防实训室设备,安防实训室设备 |
|
消防水泡定位射流灭火装置 |
|
智能消防系统实训装置 |
|
消防工程专业实验室设备 |
|
消火栓灭火系统实训装置 |
|
自动喷水灭火系统实验实训装置 |
|
综合布线实训考核装置 |
|
楼宇自动化综合布线实训室 |
|
楼宇智能安防布线实训系统(工程型) |
|
有线电视系统实训装置 |
|
网络综合布线与工程技能实训平台 |
|
楼宇智能化综合布线考核实训装置 |
|
弱电井中垂直工作区系统实验实训装置 |
|
消防自动化实训装置 |
|
智能停车场管理系统实训装置 |
|
多功能模块化电梯综合考核培训检测平台 |
|
单机电梯考证设备 |
|
电梯实物教学模型 |
|
门禁控制系统实验模型 |
|
排水工程教学科研实验装置 |
|
压力容器综合实验装置 |
|
气体定压比热测试仪 |
|
表冷器性能测试实验系统 |
|
离心泵性能综合实验装置 |
|
离心风机性能测试实验台 |
|
管路串并联综合实验台 |
|
可视化制冷循环演示装置 |
|
风机盘管热工性能试验台 |
|
换热器综实验装置(数据采集) |
|
热工基础实验装置 |
|
蒸汽冷凝时传热和给热系数测试装置 |
|
气液两相流实验装置 |
|
热工自动化仪表实训平台 |
|
热工仪表及控制实训装置 |
|
液位流量压力温度实验装置 |
|
流体力学水力学实验装置 |
|
空气热湿处理试验台 |
|
化工原理实训设备,化工原理实验装置,化工原理实验室设备 |
|
化工原理实验装置,化学工程实验设备、化工工艺实验装置 |
|
化工自动化仪表实训平台 |
|
水暖电气实训设备 |
|
通风空调实验系统、通风空调系统安装实训设备、通风空调系统安装实训装置 |
|
电梯控制技术综合实训装置 |
|
现代冷库技术综合实训考核设备 |
|
制冷制冷热直流变频空调实验实训装置 |
|
活塞式冷水机组电气实训智能实验装置 |
|
空调安装调试实训装置 |
|
空调制冷换热综合实验台 |
|
制冷压缩机性能实验台 |
|
制冷机制冷测试培训装置 |
|
一机两库系统综合实训装置 |
|
空调制冷系统技能实训平台(带回收系统) |
|
暖通中央空调系统技能综合实训装置 |
|
户式中央空调实训考核装置 |
|
智能空调控制实验实训考核装置 |
|
制冷系统热工测控综合实验台 |
|
制冷设备与PLC控制实训考核装置 |
|
制冷实训装置、空调维修调试实训设备 |
|
电冰箱制冷系统实训考核装置(直冷) |
|
空调制冷换热综合实验装置 |
|
楼宇集成管理实训平台 |
|
冷热源监控实训系统 |
|
中央空调性能模拟实验台 |
|
中央空调控制系统实训装置 |
|
工程型中央空调实训设备 |
|
中央空调控制监控实训考核装置 |
|
热能地板辐射采暖系统实训装置 |
|
地源热泵中央空调实训装置 |
|
中央空调实训装置 |
|
中央空调实训考核装置(网络型) |
|
中央空调实训考核装置(总线型) |
|
中央空调空气处理系统实训装置(DDC总线型) |
|
全工况多功能型除湿系统实训装置 |
|
空调系统多联机(可变冷媒制冷剂流量系统)系统实训装置 |
|
采暖通风实训设备.采暖通风实训装置.供暖实验室设备 |
|
现代制冷装调技术综合实训考核设备 |
|
空调制冷制热系统实训考核装置 |
|
制冷与空调系统技能实训装置 |
|
空调/冰箱制冷制热实训考核装置 |
|
制冷空调冰箱实训考核装置 |
|
变风量中央空调电气实训考核装置 |
|
建筑供配电技术实训装置 |
|
智能楼宇管理师实训及技能鉴定平台 |
|
楼宇智能化工程技术技能实训考核装置 |
|
楼宇智能化工程实训装置 |
|
恒压供水实训装置 |
|
给排水设备安装与控制装置 |
|
智能分体空调实训考核装置 |
|
制冷与空调系统实训装置(可拆装) |
|
空调维修调试实训装置 |
|
智能电冰箱综合原理实训台 |
|
热泵式分体空调制冷系统实训装置 |
|
空调技能综合实训考核装置 |
|
变频空调控制实训考核装置 |
|
空调冰箱组装与调试实训装置 |
|
现代制冷制热实训考核鉴定设备 |
|
制冷制热实训考核鉴定设备 |
|
空调冰箱组装与调试实训考核装置(智能考核型) |
|
制冷管路基本技能实训设备 |
|
新型制冷分体变频空调实训安装调试装置 |
|
柜式空调技能实训考核装置 |
|
家用分体空调技能实训考核台 |
|
制冷制热实训设备,双门冰箱实训考核装置、家用电器实训装置、空调实训考核装置 |
|
散热器热工性能实验台 |
|
人工气候无尘洁净室空调装置 |
|
给排水供暖循环系统综合实训装置 |
|
船舶空调实训考核装置 |
|
空气动力实训装置(风洞) |
|
空气源热泵热机实训考核装置 |
|
活塞式压缩机制冷模拟实验设备 |
|
仿真中央空调微机控制实验室设备带微机接口) |
|
家用中央空调实训考核装置 |
|
空调控制实验实训考核装置(美的定频) |
|
家用电冰箱智能温控电气实训考核装置 |
|
热工仪表检修与调校实训装置 |
|
热工测量实验装置 |
|
制冷管路维修基本技能实训装置 |
|
变频热泵空调实验装置 |
|
直流热泵变频空调实验装置 |
|
空调修理专业技能实践装置 |
|
变频空调制冷系统实训考核装置 |
|
直流变频空调实训智能考核装置 |
|
分体空调实训装置 |
|
热泵型分体空调实训考核装置 |
|
中央空调系统实训装置(DCS) |
|
中央空调系统实训装置 |
|
中央空调实训考核装置 |
|
中央空调工程实验台 |
|
中央空调微机控制实验台 |
|
空调过程实验装置 |
|
制冷空调系统安装与维修实训平台 |
|
风道平衡空调实验台 |
|
焓差法空调实验装置 |
|
空调制冷系统拆装实践平台 |
|
散热器热工性能实验台 |
|
多功能家用电子产品电气控制综合实训装置 |
|
家电技术综合实训系统 |
|
组合音响调音技术实训装置 |
|
水暖电气实训系统 |
|
电饭煲维修实训装置 |
|
太阳能热能培训器 |
|
给排水集成监控系统实训考核装置 |
|
物联网实训设备、智能家居实训室设备、综合布线实训室设备、网络技术实训室设备 |
|
现代冷库技术综合实训考核装置 |
|
制冷与空调技术实训平台 |
|
楼宇智能化综合布线考核实训装置 |
|
压缩机模型实训设备 |
|
冷却塔实验装置 |
|
压缩机性能测试实训设备 |
|
小型冷库制冷系统综合实训考核装置 |
|
离心式水泵拆卸装配测试装置 |
|
高能效比多功能热泵空调实验系统 |
|
单级压缩式制冷循环综合性能实验装置(变频) |
|
双级压缩机式制冷系统实验装置 |
|
空气调节过程实验装置 |
|
变风量通风与排烟系统实训设备 |
|
地铁车站通风(防排烟)系统模拟平台 |
|
地铁隧道通风系统演示平台 |
|
多级半导体制冷热泵技术实验台 |
|
太阳能热泵热电实验装置 |
|
风冷式半导体制冷热泵技术实验台 |
|
水冷式制冷机性能综合试验台 |
|
制冷/热泵循环演示装置 |
|
模拟锅炉燃烧器实训台 |
|
模拟蒸汽锅炉实训台 |
|
制冷系统器原理实训装置 |
|
制冷系统自控系统综合实验装置 |
|
制冷系统热工测控综合实验台 |
|
多能互补阳与中央空气调节系统 |
|
空气、水、地源热泵系统模拟平台 |
|
吸附吸传热传质性试装置 |
|
蒸发冷却实装置 |
|
制冷压缩机拆装实训装置 |
|
变频恒压供水技能实验模型 |
|
变频空调电气实训考核装置 |
|
空调制冷综合实训装置 |
|
柜式空调实训考核装置 |
|
电冰箱电气控制线路实训箱 |
|
制冷与制热系统技能实训装置 |
|
电冰箱电气控制线路实训装置 |
|
透明表冷器喷水室性能测定实验台 |
|
多功能家电综合实训台 |
|
热工学综合实验装置 |
|
热工仪表测量实验装置 |
|
家用中央空调实训考核设备 |
|
智能空调控制实验实训考核装置 |
|
制冷压缩机性能测试实训装置 |
|
压缩机性能试验台(电量热计法) |
|
电气控制与PLC一体化教学实训室建设 |
|
变频空调实训考核装置 |
|
制冷系统电气元件和故障实训考核装置 |
|
多功能家用电子产品电气控制综合实训装置 |
|
制冷原理实训装置 |
|
管道与制暖安装实训装置 |
|
水冷式中央空调实训考核装置 |
|
供热系统管道安装实训装置 |
|
建筑给水排水实验系统 |
|
楼宇消防自动化系统综合实训装置 |
|
风机风室性能实验台 |
|
变频式抽油烟机维修技能实训考核装置 |
|
家用电热水器维修与安装实验装置 |
|
模拟办公楼热计量供暖实训装置 |
|
通风管道式中央空调实训考核装置 |
|
建筑工程实验室、建筑环境与能源实验室 |
|
多功能家用电子产品电气维修实训考核装置 |
|
电工电子技能综合实训考核平台 |
|
电工电子技术综合实训考核装置 |
|
电工基础与技能实训考核装置 |
|
电工技术综合实验平台 |
|
电工技术综合实训装置 |
|
电工技术实训网板 |
|
电子工艺实训台(两面4工位) |
|
电子技术综合实训考核设备 |
|
电子技术综合实验装置 |
|
模拟与数字电路实验平台 |
|
数模电综合实训平台 |
|
电气自动化设备安装与维修实训考核平台 |
|
网孔型电工技能及工艺实训考核装置(双面、四组) |
|
智能型装接表电工实训系统 |
|
电工技能实训考核柜 |
|
直流调速(调压)实训控制柜 |
|
电气工程与自动化实训室设备 |
|
化工自动化仪表实训平台 |
|
电工·电子技术实训装置 |
|
电气控制实训装置(单面双组型) |
|
电工电气控制实训考核装置 |
|
电气装配综合实训装置 |
|
电气装调实训装置 |
|
电气装配与调试实训平台 |
|
仪表自动化控制综合实训台 |
|
初中高级维修电工实训考核装置 |
|
高性能高级维修电工及技能培训考核实训装置 |
|
维修电工电气控制及仪表照明电路实训考核装置 |
|
电工电子电拖综合实验装置 |
|
现化电工综合实训考核实训台 |
|
电工培训考核装置 |
|
电机拖动及运动控制综合实验台 |
|
机电技术技能实训考核装置 |
|
电机控制与调速实训装置 |
|
电机与电气控制实训台 |
|
楼宇智能化控制系统平台 |
|
电气技能实训考核装置 |
|
电工电气装配与工艺实训台 |
|
电机与电力拖动实训装置 |
|
维修电工技能实训考核装置(网孔板、单面双组型) |
|
电工电子及电机拖动综合实训平台 |
|
电工电子电力拖动技术实验装置 |
|
电工技能实训与考核装置 |
|
电工技术实训台 |
|
电工技术实验装置 |
|
电工电子电力拖动实验与技能实训台 |
|
电工综合实训考核设备 |
|
高级电工实训台 |
|
电工电子综合实验台 |
|
智能型电工电子拖动综合实验装置(带PLC实验) |
|
电工基本技能训练实训装置 |
|
电子技术综合应用创新实训考核装置 |
|
电子技术创新设计综合应用实训装置 |
|
电子焊接实训考核装置 |
|
电子工艺与检测实训平台 |
|
电子产品装配实训台 |
|
电子装配实训台 |
|
电子技术实验装置 |
|
高级电工电子技术实验装置 |
|
高性能电工电子电拖综合实训装置 |
|
电子技术综合实验装置 |
|
电子电路综合实验实训装置 |
|
电子电工基础实验台、通用电工实验装置 |
|
通用电力拖动实训装置 |
|
电工基础实验装置 |
|
电气控制技术实训考核装置 |
|
电气控制及电子技能实训考核装置 |
|
内外线电气安装与维修实训装置 |
|
网孔型电工技能及工艺实训考核装置(单面、双组) |
|
电工技能实训考核平台 |
|
电工电子技能及创新设计综合实训考核装置 |
|
电工电子与电力拖动实训平台 |
|
电工电子技术实验台 |
|
初、中、高级及技师维修电工实训考核装置 |
|
电工技能训练工作台 |
|
电工技能实训教学装置 |
|
电气控制综合实验装置 |
|
供配电技术实训装备 |
|
维修电工技能训练与考核平台(网孔板、双组型) |
|
电工实训装置(单面双组型) |
|
电工电子模拟实训装置 |
|
低压电工电气装配实训台 |
|
电子装配工艺与检测实训装置 |
|
电工工艺(维修电工)试验台 |
|
电工电子电拖实训台 |
|
一体化电工电子技术创新设计综合应用实训装置 |
|
现代维修电工技术实训考核装置 |
|
铁道车辆电气检修实训室建设 |
|
电工电子实训设备 |
|
电工实训工作台 |
|
电子技术技能实训考核台 |
|
电子学技术综合实验装置 |
|
维修电工电气控制实训装置 |
|
机床电气与PLC控制教学实验装置 |
|
维修电工技能考核实训装置 |
|
机电技术技能实训考核装置 |
|
电气装配实训装置(网孔板、双组型) |
|
学生电源台,学生电源实训装置 |
|
电子产品设计与制作实训平台 |
|
电子单片机实训台 |
|
维修电工实训设备 |
|
维修电工实训考核装置 |
|
电机电力电子及电气传动实训装置 |
|
电机控制及调速综合实训装置 |
|
电工电子自动化综合实训实验台 |
|
模电数电综合实验装置 |
|
电工模电数电综合实训平台 |
|
电气控制及电子技能实训考核装置 |
|
电气装配实训装置 |
|
网孔型电工电气装配实训台 |
|
维修电工实训考核装置(单面双工位) |
|
电子电工综合实验装置 |
|
电工电子综合实训平台 |
|
电工技能测试台 |
|
电工操作台、初级维修电工实训设备 |
|
电子综合实验平台 |
|
电工综合实验平台 |
|
维修电工实训设备 |
|
高级电工技能实训考核装置 |
|
电工电子技术创新设计综合应用实训台 |
|
电力拖动实验装置 |
|
电工电子技术实验台 |
|
高级电工技术实验台 |
|
电工综合实验装置 |
|
维修电工技能智能实训考核装置 |
|
机电技术技能实训考核装置 |
|
电工电子技能综合实训装置 |
|
通用电工竞赛训练平台 |
|
高级电工练功考核实训台 |
|
电工、电子、电力拖动、PLC、变频器、单片机、触摸屏实训台 |
|
电子技术综合实训装置 |
|
电子技术技能实训台 |
|
现代物流仓储自动化实验系统 |
|
电气线路安装实训装置 |
|
维修电工技术实训平台 |
|
电力电子技术应用实训装置 |
|
电工电子综合应用创新实训装置 |
|
电气照明设备安装调试技能实训装置 |
|
电气安装调试实训设备,电气安装调试实训装置 |
|
自动生产线装调与设计实训装置 |
|
互联网+现代电工电子技术实训装置 |
|
电工电子·电拖·PLC技术综合实训考核装置 |
|
电气设备安装调试技能实训装置 |
|
电工电子基础实验装置 |
|
电工电子技术基础实训考核平台 |
|
电气安装与维修实训装置 |
|
电机传动与控制实验装置 |
|
维修电工高级技师考核实训设备 |
|
电气技术考核实训装置 |
|
电气控制PLC实训台 |
|
电气安装与维修实训考核装置 |
|
电气控制系统安装与调试实训设备 |
|
电机及电气技术实验装置 |
|
电气安装调试实训装置 |
|
通用电工电子电拖实验装置 |
|
电工电子实验装置 |
|
电机拖动及电气控制技术实训装置 |
|
电机拖动及运动控制综合实验台 |
|
机电综实训考核平台 |
|
电力拖动实验装置 |
|
电工电子技术创新设计综合应用实训台 |
|
计算机组装与维修实训装置 |
|
电力电子技术应用创新设计综合实训装置 |
|
全数字交流调速系统实验装置 |
|
直流调速技术实训装置 |
|
电机性能测试柜 |
|
机电控制综合实训平台 |
|
电机控制实训台 |
|
电机控制接线实验台 |
|
电机运动控制实训装置 |
|
电工电机拖动实训装置 |
|
电机装配与运行检测实训装置 |
|
电机电控配线安装实训装置 |
|
电机·变压器维修及检测实训装置 |
|
电机故障检测实训考核装置 |
|
变频器工作原理实训装置 |
|
维修电工技能实训考核装置(电气控制·PLC·变频器) |
|
高级电工技能实训考核装置 |
|
高级维修电工变频调速PLC可编程控制实训装置 |
|
高级维修电工实训平台 |
|
电子产品工艺实训台 |
|
电子焊接技能实训平台 |
|
现代电工技术实训考核装置(柜式、双面型) |
|
高级电工电子实验装置 |
|
数字电子技术综合实训考核装置 |
|
模拟电路、数字电路实验平台 |
|
电子学综合实验装置 |
|
模拟电子电路实验装置 |
|
模拟电路应用创新实验平台 |
|
电子装配及焊接技能实训装置 |
|
电子焊接实训考核装置 |
|
电子焊接装配实训台 |
|
电子产品焊接与工艺实训台 |
|
电子工艺焊接装配生产线 |
|
电工电子创新综合实训装置 |
|
电子工艺实训考核装置 |
|
电子工艺实训考核装置 |
|
电子创新实验台 |
|
电子产品设计与装调实训考核装置 |
|
电力拖动一体化实训设备 |
|
网孔型电工电子电力拖动PLC可编程综合实训装置 |
|
网络型高性能电工电子技术实训与考核装置 |
|
智能电子电路综合实训台 |
|
模电数电综合应用创新实训考核装置 |
|
电子(模电数电)技术综合应用创新实训考核装置 |
|
智能化电工职业技能等级考核平台 |
|
电工高级技能鉴定实训考核设备 |
|
电工电子基础实验实训教学平台 |
|
电工电子综合实验装置 |
|
电子技术综合实训考核平台 |
|
电工实训考核装置 |
|
电工技能实训装置 |
|
电工技能实训台 |
|
电工技能实训教学装置 |
|
电气系统安装与调试实训装置 |
|
电工技术实训室、电工技术实训室设备 |
|
电工基础实训台 |
|
电工实训考核装置,电工技术实训考核装置,网孔型电工实训考核设备 |
|
现代电气控制系统安装与调试实训考核装置 |
|
网孔型电气控制实训装置 |
|
在线智慧电子实验系统综合实训平台 |
|
电子产品装调与人工智能创新考核装置 |
|
电力电子技术应用创新设计综合实训装置 |
|
电子学综合实验装置 |
|
电工实训操作台(单面二组型) |
|
电工电子技术综合实训考核装置 |
|
电工电子自动化综合实验实训装置 |
|
电工电子电拖实验装置 |
|
电工技能鉴定实训装置 |
|
低压电气装配工技能实训考核装置 |
|
电工电拖综合实训装置 |
|
电工技术实训考核装置 |
|
机电综合实训考核平台 |
|
电工电子技术实验装置 |
|
电力拖动实训装置 |
|
轨道交通电力系统综合自动化技能实训考核平台 |
|
电机与拖动综合实训平台 |
|
电力电子及电机拖动实验装置 |
|
电力电子综合实训平台 |
|
电力拖动一体化实训设备 |
|
电力系统综合自动化技能实训考核平台 |
|
电力系统微机保护综合实训装置 |
|
电力系统自动化实训平台 |
|
电气设备及二次部分实训考核装置 |
|
现代电力电子及交直流调速实验装置 |
|
电力电子技术实验箱 |
|
电力电子技术实训装置 |
|
电机及电气技术实验装置 |
|
电机电力电子及电气控制技术实验装置 |
|
电机及电气技术实验装置 |
|
交直流调速实训装置 |
|
大功率直流调速系统实训考核装置 |
|
电机装配与运行检测实训考核设备 |
|
电机电力拖动及电气控制实训装置 |
|
电机拖动及自动控制系统实验台 |
|
电机及电气控制实验装置 |
|
电子技术综合实训装置 |
|
电子焊接装配实训台 |
|
电子创新综合实训平台 |
|
电工电拖综合实训平台 |
|
电机控制实验台、电机PLC控制实验装置 |
|
摇臂钻集合实验台,机床电气控制技能实训考核装置 |
|
电气控制实训平台 |
|
一体化网络型高级维修及技师电工技能培训考核实训装置 |
|
防爆电气控制技术技能培训考核实训装置 |
|
电机及拖动实验台 |
|
电气综合控制实训考核装置 |
|
高级电工电子实训装置 |
|
高级维修电工综合实训柜 |
|
电工操作实操台,网孔型电工技能实训考核装置 |
|
电气安装实训装置 |
|
电工电子综合应用创新实训装置 |
|
电动机装配实训装置 |
|
电机维修及检测实验装置 |
|
机电传动与控制实训装置 |
|
电机控制与调速实训装置 |
|
电力拖动电气控制实验装置 |
|
电工电气实训考核装置 |
|
电工电子实训台 |
|
电机拖动与调速系统实训装置 |
|
电子产品设计及制作生产线 |
|
电力系统微机保护综合实训设备 |
|
电子技术综合实验装置 |
|
电子技术综合实训平台 |
|
网孔型高级维修电工实训设备,网孔型中级维修电工实训设备,网孔型初级维修电工实训设备 |
|
高级电工电拖实训考核柜、中级电工电拖实训考核考核柜、初级电工电拖实训考核考核柜 |
|
机电传动与PLC控制实验台 |
|
电力拖动PLC变频调速综合实训装置 |
|
电力拖动实训台 |
|
电工基础及基本技能实训台 |
|
电机拖动实训设备 |
|
电子技术实验实训室设备 |
|
电工电子实训考核装置 |
|
高级电工电子电力拖动实验装置 |
|
供电技术实训装置 |
|
电力拖动与控制技术实训装置 |
|
电力电子及电气传动实验台 |
|
电力技术控制系统实训演示设备 |
|
电工电子及电力拖动综合应用创新实训装置 |
|
高性能电工电子电力拖动综合实验装置 |
|
电力自动化仪表及过程控制实训平台 |
|
电力系统继电保护实验台 |
|
电气控制实训室设备 |
|
电气控制技术实验装置 |
|
维修电工实训考核装置 |
|
高级电工及技师维修电工实训考核装置 |
|
维修电工实训装置、维修电工技能操作台 |
|
高级维修电工考核实训台(单面双组型) |
|
电气安装与维修实训考核装置 |
|
电工电力电子实训平台 |
|
电力拖动及电机控制实训台 |
|
电机及拖动控制实训平台 |
|
大功率直流调速系统实训考核装置 |
|
转速、电压、电流负反馈直流调速系统的安装和调试实训系统 |
|
电力系统综合自动化实验平台 |
|
供配电所实训装置 |
|
变电二次安装工实训考核装置 |
|
工厂供电综合自动化实训装置 |
|
供配电实验室设备,电气工程综合实训设备 |
|
电工基本操作技术实训室设备 |
|
机电驱动实训设备 |
|
电子产品装配实训室 |
|
电气控制技能实训考核装置 |
|
电气安装与维修实训考核设备 |
|
电子焊接防静电实训台 |
|
电子产品装配与调试生产线 |
|
电子工艺实训考核装置 |
|
模拟电路实验装置 |
|
电机技术实验装置(交/直流发电机) |
|
电机与变压器综合实验装置 |
|
电力拖动.PLC技能实训装置,电力拖动、PLC实训装置 |
|
高性能高级维修电工及技能培训考核实训装置 |
|
高级电工职业技能鉴定综合实训考核装置 |
|
电力自动化及继电保护实验装置 |
|
电力自动化及继电保护实验台 |
|
电力拖动(工厂电气控制)实验装置 |
|
初中级电工实训考核装置 |
|
高级电工技术实验台 |
|
电气智能控制PLC 技术实训装置 |
|
电力电子与电力传动专业课程 |
|
电力电子技术实验室设备 |
|
电气安装与维修实训考核装置 |
|
自动化综合实训装置 |
|
高级维修电工实训考核装置 |
|
电工实训考核装置简介,电气装配实训台注意事项 |
|
高性能高级维修电工技能培训考核装置 |
|
电子技术实训装置 |
|
电工电子技术创新设计综合应用实训装置 |
|
电气动力设备安装调试技能实训装置(高级) |
|
(初级)电气动力设备安装调试技能实训装置 |
|
(中级)电气动力设备安装调试技能实训装置 |
|
电气照明设备安装调试技能实训装置 |
|
高性能电工技术实验台 |
|
高低压配电实验实训装置 |
|
电工技术综合实验装置 |
|
数字电路应用创新实验平台 |
|
一体化教学电工技术工作岛 |
|
电工技术实验装置 |
|
模拟电路实验装置 |
|
电工技能实训考核装置 |
|
高性能电工电子电力拖动综合实训装置 |
|
高性能电工综合实验装置 |
|
高级电工实操柜,中级电工实操柜,初级电工实操柜 |
|
高级电工技术实训考核装置 |
|
中级电工技术实训考核装置 |
|
初级电工技术实训考核装置 |
|
通用电工技能综合实训装置 |
|
电工PLC实训考核装置 |
|
电工综合训练装置 |
|
电工实训装置 |
|
电工实验装置 |
|
电工电子综合实验装置 |
|
电工电子电拖实训装置 |
|
电工·电子技术实训装置 |
|
现代高级电工电拖实训考核设备 |
|
中高级电工可编程触摸屏变频器数模电实训台 |
|
维修电工电气控制实训考核装置 |
|
仪表及照明单三相电机控制实训考核装置 |
|
高级电工综合实验装置 |
|
现代电气控制应用实训设备 |
|
通用电工实验台,通用电工技术实训台 |
|
通用电子实验台 |
|
通用电工电子实验台 |
|
通用电工电子电力拖动实验台 |
|
通用电工电子电力拖动带直流电机实验台 |
|
电工、电子、电力拖动(带直流电机、三相可调)实验装置 |
|
通用电力拖动实验室成套设备 |
|
通用电力拖动实验室成套设备(带直流电机实验) |
|
通用电工电子 电力拖动
直流电机实验室设备 (四合一) |
|
现代电气控制系统安装与调试实训装置 |
|
电工·电子·电拖创新实训室设备 |
|
电气实训操作台 |
|
可编程变频器电气控制综合实训装置 |
|
现代电气控制综合实训装置 |
|
电工技术实验装置 |
|
电工电子技术实训装置 |
|
智能型电工电子技术实验装置 |
|
智能型电工、电子、电力拖动综合实验装置 |
|
智能型电工、电子、电力拖动综合实验装置(带PLC实验) |
|
智能型电工、电子/电拖、PLC、单片机综合实验装置 |
|
智能型电工、电子、电拖、PLC、变频调速综合实验装置 |
|
电子技术创新设计综合应用实训装置 |
|
电子焊接装配生产线 |
|
电子焊接工作台 |
|
电子工艺实训台 |
|
电子装配调试实训台 |
|
电子产品装调一体化创新实训装置 |
|
电气装配与工艺实训装置(单面双组型) |
|
电气装配实训台(单面双组型) |
|
机床PLC电气控制实训考核装置 |
|
电气装配实训台 |
|
电工技能训练与考核平台(网孔板、双组型) |
|
电气技能实训考核装置(单面双组型) |
|
高性能电工技术实验装置 |
|
高性能电工电拖实验装置 |
|
高性能电工、电子、电力拖动、PLC、变频器实训装置 |
|
高级电工技术实验台 |
|
高性能电工电子实验台 |
|
高级电工电子电拖综合实验台 |
|
维修电工技能实训考核装置(两面四组型) |
|
维修电工技能实训考核装置(网孔板、双组型) |
|
初级电工、电拖实训考核装置(柜式) |
|
中级电工、电拖实训考核装置(柜式) |
|
高级电工、电拖实训考核装置(柜式) |
|
高性能高级维修维修电工实训考核装置 |
维修电工电气控制及仪表照明电路综合实训考核装置 |
高级维修电工实验考核系统 |
高级维修电工技能实训考核装置 |
仪表照明实训考核装置 |
高级维修电工实训考核装置 |
|
维修电工电气控制及仪表照明电路综合实训考核装置 |
|
高级技师维修电工实训考核装置 |
|
网络维修电工高级技师实训智能考核装置 |
|
维修电工电气控制技能实训考核装置 |
|
技能大师工作室设备、技能创新实验实训设备 |
|
高级电工实训考核鉴定装置 |
|
智能型现代电气控制实训考核装置 |
|
高性能初级维修电工及技能培训考核实训装置 |
|
高性能中级维修电工及技能培训考核实训装置 |
|
高性能高级维修电工及技能培训考核实训装置 |
|
电工电子综合应用创新实训装置 |
|
高级电工、电拖、PLC实训考核装置 |
|
西门子S7-1200高性能高级维修电工实训考核平台 |
|
电气照明接线实操考核平台 |
|
电气设备安装调试技能实训装置 |
|
自动加工与装配生产线实训考核设备 |
|
网孔型万能电气控制与及机床电路实训考核鉴定装置 |
|
机床电气技能实训考核鉴定装置 |
|
现代电气控制系统安装与调试实训考核装置 |
|
模电、数电、电力拖动实验台 |
|
维修电工实训考核柜(柜式、双面型) |
|
低压电气控制实训台 |
|
电工技能实训试验台 |
|
网孔型电工技能实训台 |
|
网孔型维修电工实训装置 |
|
双面网孔板维修电工技能实训考核装置 |
|
高级电工电子实验装置 |
|
电工电拖实训平台 |
|
维修电工电气控制技能实训考核装置 |
|
维修电工通用型实训考核实训装置 |
|
维修电工排故培训考核装置 |
|
电工基本技能综合实训设备 |
|
维修电工实训装置(网孔板单面双组型) |
|
电工电子技术·电力拖动实训考核装置 |
|
通用电工电子电拖(带直流电机)实验台 |
|
电子基础技能实训考核平台 |
|
电子技术实验教学平台 |
|
电子技术综合实训考核装置 |
|
电工电子技术实训考核装置 |
|
电工实训装置 |
|
电工电子实验装置 |
|
电工电子电力拖动实验装置 |
|
电工电子电力拖动实验装置(带PLC实验) |
|
电子产品装调与智能检测实训考核装置 |
|
电子基本技能实训考核设备 |
|
电子产品装调与人工智能创新考核装置 |
|
电子基本技能实训考核设备 |
|
电子工艺实训考核装置 |
|
电子工艺综合实训装置 |
|
电子工艺实验考核装置 |
|
电工技能及工艺实训考核装置(网孔板) |
|
通用电工电子技术及电力拖动实验台 |
|
电子产品焊接装配实训台 |
|
智能电工实训考核装置 |
|
多功能维修电工教学实训考核装置 |
|
中级维修电工实训台 |
|
初级维修电工实训学生台 |
|
电子实验室设备 |
|
电工电子综合实验平台 |
|
模电数电技术实验台 |
|
电机电力电子与交直流调速实验台、电机电力电子与电气传动技术实验装置
|
|
智能变配电系统实验开发平台 |
|
高级维修电工及技师技能实训考核装置 |
|
交流变极调速系统(至少3速)电气实训柜 |
|
工厂供配电实训装置 |
|
供配电技术综合实验装置 |
|
高低压配电实验实训装置 |
|
低压供配电技术实训设备 |
|
低压配电成套实训装置 |
|
低压配电操作实训室设备 |
|
工厂供电综合自动化实训系统 |
|
工厂供电技术实训装置 |
|
35kV变电站及10kV供配电系统倒闸操作屏 |
|
变配电室值班电工技能培训考核系统 |
|
供配电所实训装置 |
|
智能供配电实训装置 |
|
工厂供电及配电自动化实验装置 |
|
变电站综合自动化实训系统 |
|
微机及继电保护实验实训装置 |
|
电力系统继电保护综合实验装置 |
|
电力系统继电保护与自动化实训装置 |
|
电力系统微机线路保护实训考核装置 |
|
电力系统继电保护工培训考核平台 |
|
电力系统自动化实训平台 |
|
电力系统继电保护与自动化实训装置 |
|
电力系统继电特性及继电保护实验装置 |
|
电机及自动控制实验装置 |
|
高级维修电工实训设备 |
|
电气PLC控制实训平台 |
|
中级维修电工实训考核装置 |
|
维修电工中级技能实训设备 |
|
高性能初级维修电工技能实训装置 |
|
电气安装与维修实训考核装置 |
|
电气动力设备安装调试技能实训装置 |
|
电工电气维修实训台 |
|
维修电工与PLC实训考核装置(双工位) |
|
电气系统安装与调试实训装置 |
|
维修电工技能实训考核台 |
|
高级技师维修电工实训装置 |
|
维修电工技师、高级技师技能实训考核装置 |
|
维修电工仪表照明实训考核装置 |
|
维修电工电气控制及仪表照明电路综合实训考核装置 |
|
维修电工电气控制技能实训考核装置 |
|
电工实训操作实操台 |
|
安全用电实训考核装置 |
|
电子实训装配生产流水线 |
|
新能源发电实训设备 |
|
电工、模电、数电、微机接口及微机应用实验设备(适用于高校、大专、职业学院)
更多产品>> |
|
电力电子技术及数模电综合实验台 |
|
电工、模电、数电实验室设备 |
|
模拟 数字电子电路微机接口
微机应用综合实验室设备 |
|
信号与系统·控制理论·计算机控制技术实验台 |
|
模电、数电、通信原理教学实验装置综合实验台 |
|
电工模电数电电气控制(直流电机)实验装置 |
|
模电、数电、现代通讯原理实验室成套设备 |
|
高级模电、数电综合实验台 |
|
模电、数电、高频电路综合实验台 |
|
模电、数电、自动控制综合实验台 |
|
模电、数电、单片机实验开发系统综合实验台 |
|
电工基础实验室设备、电工实验装置 |
|
电工实验室成套设备 |
|
电工基础实训装置 |
|
电工实验台 |
|
电工、模电、数电、电气控制综合实验室成套设备 |
|
模电.数电实验台 |
|
电工、模电、数电实验台(三合一) |
|
电工、模电、数电、电气控制实验台(四合一) |
|
电工、模电、数电、电气控制(带直流电机)实验台(五合一) |
|
电机拖动及电力电子技术创新实验实训装置 |
|
电力电子技术实验装置 |
|
电力电子技术及电气传动实训装置 |
|
电力电子电气自动控制技术实训装置 |
|
电力电子及交直流调速实验装置 |
|
电机及电气技术实验装置 |
|
电力电子实训装置 |
|
电力电子技术实验台 |
|
电力电子基础实训台 |
|
电力电子技术实训台 |
|
电力电子技术实训装置 |
|
电力电子及电机拖动综合实验装置 |
|
电力电子技术及电机控制实验装置 |
|
电力电子及电气传动实训装置 |
|
电力电子技术实验装置 |
|
电机控制及照明实训柜 |
|
电力自动化及继电保护实验装置 |
|
DSP原理及电机调速实验系统 |
|
现代电工技术实训考核装置 |
|
现代电力电子技术实验设备 |
|
电工电子电气技术实训装置 |
|
电机拖动及电气控制技术实验装置 |
|
电机维修及检测实训装置,控制微电机综合实验装置,电机拖动实训设备 |
|
电机原理及电机拖动实验系统 |
|
单双闭环直流调速控制实训装置 |
|
交直流调速实训装置 |
|
电机维修及检测实训设备 |
|
机电综实训PLC考核平台 |
|
电机拖动实验台 |
|
电机及电气技术实验装置 |
|
电气动力设备安装调试技能实训装置 |
|
电力电子电机拖动综合实验台 |
|
电机控制与调速综合实训装置 |
|
电力电子技术及电机控制实验装置 |
|
电工电子综合应用创新实训装置装置 |
|
电力拖动实训装置 |
|
电工电子相关实验教学设备 |
|
电子装配实训台,电子基本技能实训设备 |
|
电机及电气技术实验装置 |
|
电力电子技术实训装置 |
|
电子技术综合实训考核装置 |
|
电子、单片机技术综合实训考核装置 |
|
电子技术及传感器综合实训装置 |
|
电子技术综合实训平台 |
|
电子应用技能实训考核装置 |
|
电工技术实训装置 |
|
电工电子技术实验台 |
|
电工、模电、数电、电力拖动(带直流电机)实验与实训考核台、电工维修实训设备 更多产品>> |
|
数电模电实验平台 |
|
模电、数电实验与技能实训考核台 |
|
电工、模电、数电实验与技能实训考核台 |
|
通用电工、电子、电拖实验与电工、电子、电拖技能实训考核实验室设备 |
|
电工、模电、数电、电力拖动(带直流电机)实验与技能实训考核实验室设备 |
|
电工、模拟、数字、电力拖动综合实验装置 |
|
电工技能实训与考核实验室成套设备 |
|
电工·模电·数电·电拖·单片机·PLC·传感器技术综合实训考核装置 |
|
电工、模电、数电、电气控制、PLC可编程控制综合实验装置 |
|
电工、电子、电拖(带直流电机)实验与电工、电子、电拖技能实训考核实验室设备 |
|
电气装配与工艺实训台 |
|
网孔型电工电子技能及工艺实训考核装置 |
|
网孔型电力拖动(工厂电气控制)技能及工艺实训考核装置 |
|
维修电工仪表照明实训考核装置 |
|
初级工实训台、中高工实训台、高级工实训台 |
|
高性能电工电子电拖综合实训装置 |
|
高性能电工电子技术实训考核装置 |
|
高性能电工、电子、电力拖动技术实训考核装置 |
|
电力拖动工厂电气控制技能及工艺实训考核装置、网孔型电工电子电力拖动变频调速PLC装置 |
|
高性能电工电子电拖及自动化技术实训与考核装置 |
|
高性能电工技术实训考核装置、高性能电工电子技术实训考核装置、高性能电工电子电力拖动技术实训考核装置 |
|
电子技术综合实训考核装置,电工电子技术实训考核装置,电工电子技术·电力拖动实训考核装置 |
|
电力拖动·PLC技能实训装置、电力拖动技能实训考核装置 |
|
单片机实验开发系统、单片机技术实训装置 |
|
单片机嵌入式实验系统 |
|
新型单片机实验箱 |
|
8-32位微机原理接口实验系统 |
|
集成一体化单片机、微机接口综合实验箱 |
|
多种单片机、微机接口与组态综合实验系统 |
|
51单片机实验箱 |
|
STM32单片机实验箱 |
|
单片机与组态综合实验系统 |
|
单片机与MCGS组态综合实验系统 |
|
单片机、微机原理及接口技术二合一实验箱 |
|
自控原理实验箱 |
|
自控计控原理实验系统 |
|
自控原理与计算机控制实验箱 |
|
超强型计算机组成原理实验箱 |
|
计算机组成原理与系统结构实验箱 |
|
单片机实验箱 |
|
单片机嵌入式综合实验箱 |
|
单片机技术实训系统 |
|
单片机实验箱 |
|
信号与系统/DSP实验箱 |
|
单片机同步互动实验系统 |
|
数字、模拟电路同步互动教学系统 |
|
电路分析基础课程设计实验室设备 |
|
电路原理与模拟电路综合实验箱 |
|
数字电路、EDA技术实验设计系统 |
|
SAE数电/摸电/EDA综合实验系统 |
|
三相电路的实验箱 |
|
电子测量实验箱 |
|
电工电路技术实验箱 |
|
太阳能教学实验箱 |
|
16位-32位微机原理与接口技术实验箱 |
|
8086KB微机原理与接口实验箱 |
|
自控原理及计算机控制技术教学实验箱 |
|
新型计算机组成原理实验箱 |
|
计算机组成原理基础实验箱 |
|
计算机设计综合技能试验箱 |
|
A865微机原理与单片机实验箱 |
|
微机控制与仿真实验实训室 |
|
嵌入式实验开发系统 |
|
创新型模块化模拟电路实验箱 |
|
增强型电子线路综合实验箱 |
|
数字电子技术实验箱 |
|
模拟电子技术实验箱 |
|
数字电子技术实验箱,设计型(基础型) |
|
微机原理与接口技术,计算机控制技术课程 |
|
创新单片机实训箱 |
|
EDA实验箱 |
|
EDA实训室、EDA实验开发箱 |
|
FPGA教学开发创新平台 |
|
E207EDA设计技术实验箱 |
|
E216SOPC系统综合开发平台 |
|
超强型计算机组成原理与系统结构实验箱 |
|
高频电路实验箱 |
|
综合电路原理实验箱 |
|
电路原理实训室设备 |
|
EMCU模块化多CPU创新单片机实训实验箱 |
|
微机原理与接口技术实验室 |
|
数字模拟电路实验箱 |
|
模拟电路实验箱(含信号源) |
|
模电实验箱 |
|
数电实验箱 |
|
电路原理实验箱 |
|
数字电路实验箱 |
|
模拟电路实验箱 |
|
数字电路实验箱 |
|
数字模拟电路实验箱 |
|
数字电路、模拟电路综合实验箱 |
|
电工技术实验箱 |
|
电子技术调试实验箱 |
|
电子技术实验箱 |
|
电路原理实验箱、数字电路实验箱 |
|
模拟电路技术实验箱、数字电路技术实验箱、电工技术实验箱 |
|
电路分析基础实验箱 |
|
电路分析实验箱、电路原理实验箱 |
|
模拟电子技术实验系统 |
|
数字电路技术实验系统 |
|
电路分析实验台 |
|
运动控制实训平台、CPTH超强型计算机组成原理与系统结构实验仪 |
|
信号与系统实验平台 |
|
信号与系统及数字信号处理平台 |
|
通信教学实验系统 |
|
信号与系统•控制理论实验装置 |
|
移动通信系统 |
|
现代交换系统方案 |
|
数字通信技术实验系统方案 |
|
通信原理实验系统方案 |
|
通信与信号处理实验箱 |
|
通信系统创新实验平台 |
|
信号与系统控制理论实验装置 |
|
信号与系统综合实验箱 |
|
移动通信系统、通信原理实验平台 |
|
程控交换综合实验箱 |
|
移动通信综合实验箱 |
|
通信系统原理实验箱 |
|
光纤通信教学实验系统 |
|
光纤通信综合实验箱 |
|
高频电子线路实验箱
|
|
通信原理综合实验箱 |
|
现代通信技术实验平台 |
|
通信原理实验箱 |
|
PLC可编程控制器实验箱 |
|
电子实验箱,模拟电子实验箱,通信原理实验箱 |
|
交流电路实验箱 |
|
直流电路实验箱 |
|
创新单片机实训实验箱 |
|
数字、模拟、电路分析综合实验箱 |
|
智能通用电工、电子、电力拖动实验室设备(适用高校、专科、职业学院、中专、技校、职校 ) |
|
电工、电子、电拖(带直流电机)技能实训与考核实验室设备 |
|
通用电工电子电拖(带直流电机)实验台 |
|
电工电子及电力拖动实训装置 |
|
电工电子电拖直流电机实训台 |
|
通用电工电子实验台、电工电子综合实验台 |
|
通用型电工电子实验台 |
|
电工电子电拖实训台 |
|
电力拖动实训平台 |
|
电机拖动及控制实训设备 |
|
电机与拖动实验室设备及装置 |
|
通用智能型电子实验与技能实训考核台 |
|
通用智能型电工实验和电工技能实训考核台 |
|
通用电子实验与电子技能实训考核实验室设备 |
|
通用智能型电工、电子、电拖实验与技能实训考核台 |
|
电工、电子、电力拖动(带直流电机)技能实训考核台、维修电工实设备 更多产品>> |
|
电工电子技术实训装置 |
|
电工技能实训考核台 |
|
电子技能实训考核台 |
|
电工、电子技能实训考核台 |
|
电工、电子、电力拖动技能实训考核台 |
|
电工、电子、电力拖动(带直流电机)技能实训考核台 |
|
电气控制实训装置(单面双组型) |
|
电气实验实训室,主要服务机械制造自动化、电工维修考核设备 更多产品>> |
|
智能电工技术实验装置 |
|
SB-528立式电工实验台 |
|
SB-528立式电工、模电、数电实验台 |
|
SB-528立式电工、模电、数电、电气控制实验台 |
|
SB-528立式电工、模电、数电、电气控制(带直流电机)实验台 |
|
SB-528E立式电工·模电·数电·单片机综合实验装置 |
|
立式电工·模电·数电·电气控制·PLC可编程控制综合实验装置 |
|
智能型电工电子电拖PLC单片机综合实验装置 |
|
电工电子及电力拖动综合应用创新实训装置 |
|
电力拖动(工厂电气控制)实验装置 |
|
高级电工实验室成套设备(带功率表、功率因数表) |
|
高级模电、数电实验室成套设备 |
|
汽车电子技术专业设备
更多产品>> |
|
新能源汽车电工电子电拖实验实训平台
|
|
新能源汽车电工电子实训设备
|
|
氢燃料汽车实训实验设备
|
|
智能网联汽车综合实训室建设方案
|
|
汽车电磁学原理智能教学平台 |
|
浅谈职业教育新能源汽车汽车维修人才的培养、新能源汽车实训设备 |
|
新能源电动汽车透明实训模型《比亚迪》
|
|
新能源汽车与维修专业实训室建设 |
|
新能源汽车交直流充电桩综合实训台 |
|
充电桩(站)及监控实训系统、新能源汽车充电桩 |
|
汽车维修人才的培养、汽车教学设备 |
|
卡罗拉14款电器实训台 |
|
奇瑞瑞虎8全车电器实训台 |
|
迈腾B8汽车电气系统便携测量盒组件 |
|
汽车电工电子实训平台 |
|
汽车电工电子综合技能实训系统 |
|
汽车电工电子基础教学平台 |
|
汽车电工电子技术综合应用创新实训考核装置 |
|
新能源汽车电工电子基础教学平台 |
|
部队汽车实训室建设、汽车检测与维修技术(军车方向) |
|
部队汽车实训设备 |
|
飞轮储能实验台 |
|
现代物流仓储自动化实验系统 |
|
立体仓库实物教学实验装置 |
|
新能源汽车电工电子基础实训装置 |
|
交通灯控制教学模型 |
|
汽车电工电子实训室 |
|
汽车电子实训装置、汽车电子实训室设备 |
|
汽车电磁学基础实训装置 |
|
汽车基础电路实验箱 |
|
汽车电子电路实验箱 |
|
汽车总线技术实训平台 |
|
新能源汽车电工电力电子实训装置 |
|
电动汽车充电桩系统实训台 |
|
燃料电池电动汽车动力系统实验平台 |
|
高压安全实训台 |
|
交流充电桩原理实训台 |
|
新能源汽车动力电池控制系统教学平台 |
|
电动汽车电池动力总成及管理系统教学平台 |
|
纯电动整车检测实训系统 |
|
新能源汽车检测与维修实训考核设备 |
|
新能源汽车电工电子及电机驱动技术教学系统 |
|
ABS/ASR/ESP制动系统实训台 |
|
纯电动车永磁同步电机解剖展示台 |
|
电机解剖教学平台 |
|
电池解剖教学平台 |
|
纯电动汽车电控系统教学平台 |
|
PEM水电解实验器 |
|
燃料电池教学实验平台 |
|
燃料电池动力系统教学平台 |
|
柴油机拆装实训设备 |
|
新能源高压器件展示箱 |
|
高压安全原理教学实验箱 |
|
农机设备应用与维修专业实训室设备 |
|
农机实训室建设方案、农业机械实训室 |
|
农机拆装实训设备 |
|
电动车PTC结构解剖实训台 |
|
电动车压缩机结构解剖实训台 |
|
新能源汽车电动真空助力制动系统实训台 |
|
纯电动汽车车身电器实训台 |
|
比亚迪秦电动转向助力EPS实训台 |
|
新能源电动车高压电控总成驱动电机变速箱实训台 |
|
纯电动汽车动力电池与管理系统实训台 |
|
新能源汽车ABS/EBD/BAS糸统实训台(比亚迪) |
|
新能源电动车高压电控总成驱动电机变速箱实训台 |
|
新能源车载充电机解剖实训台 |
|
新能源比亚迪车载网络实训台 |
|
交流充电桩模拟实训装置 |
|
纯电动汽车空调实训台 |
|
汽车电子电工实训考核设备 |
|
迈锐宝XL汽车全车电器实训台 |
|
勇士2022汽车动力转向系统实训台 |
|
维柴w615柴油发动机的实训平台 |
|
豪沃电路实训台 |
|
猎豹全车电器实训台 |
|
金龙客车全车电器实训台 |
|
全顺全车电器实训台 |
|
欧曼全车电器实训台 |
|
猛士EQ2050全车电器实训台 |
|
猛士指挥车汽车电控发动机实训台 |
|
东风EQ1118G汽车全车电器实训装置 |
|
东风天锦发动机动态实训平台(东风天锦EQ4H) |
|
东风天锦发动机解剖实训台架 |
|
东风天锦EQ1120GA2底盘实训台 |
|
天锦康明斯ISDe2150发动机实训台 |
|
天锦康明斯ISDe2150发动机解剖实训台 |
|
东风天锦全车电器实训台 |
|
东风2050全车电器实训台 |
|
陕汽2190N燃油喷射系统实物演示装置 |
|
SX2190全车电路综合实训台 |
|
SX2150汽车底盘实训台 |
|
陕汽2190N全车电器实训台 |
|
陕汽2190N离合器工作原理实训台 |
|
陕汽2190N全车气路工作原理图 |
|
车辆继电器系统训练台 |
|
发动机电子燃油喷射系统 |
|
手动变速器解剖运行台(解放CA1122) |
|
汽车空调系统实验台 |
|
新能源汽车实训设备、汽车发动机实训台 |
|
汽车底盘实训装置 |
|
汽车实物解剖模型 |
|
PLC编程控制实训设备、单片机实验室、计算机原理实验室设备、工业自动化实验台
更多产品>> |
|
可编程控制器(PLC)实训设备 |
|
智电综合实训装置 |
|
网络化PLC综合控制实训平台 |
|
自动化实训操作台 |
|
技师工作站、西门子plc实训平台 |
|
PLC可编程电器控制综合实训装置(S7-1200)(PLC+变频+电气控制+触摸屏) |
|
数字化工业控制实训平台 |
|
自动化实训装置 |
|
工业自动化实训平台 |
|
机械手实训装置 |
|
PLC控制综合实训系统 |
|
工业自动化网络控制平台 |
|
自动化驱动实训系统 |
|
机电创新实训平台 |
|
PLC综合应用实训台 |
|
自动化设备综合实训台 |
|
PLC电气自动化控制实训平台 |
|
工业自动化实训考核设备 |
|
PLC及电气控制综合实训台 |
|
工业网络智能控制与维护实训平台 |
|
通用PLC与人机界面实验装置 |
|
PLC电器实训台 |
|
PLC与变频技术实训装置 |
|
PLC工业网络集成控制技术实验开发平台 |
|
可编程序控制系统设计师综合实训设备 |
|
PLC可编程控制技术综合实训装置 |
|
现代电气控制系统安装与调试实训平台 |
|
机电自动化实训操作平台 |
|
智能光机电一体化综合实训考核设备 |
|
智能机电一体化实训平台 |
|
通用机电设备安装与调试实训装备 |
|
自动生产线实训考核装置 |
|
自动检测生产线实训装置 |
|
自动生产线拆装与装调实训装置 |
|
电气智能化系统安装技术实训装置 |
|
电气控制与PLC应用实训平台 |
|
智能PLC电气控制综合实训平台 |
|
机电一体化智能综合实训平台 |
|
机电一体化智能实训平台 |
|
PLC可编程控制实训装置、电气设备运行与控制实训室、PLC技术实训室设备 |
|
PLC电气控制综合实训平台 |
|
PLC电气控制综合实训平台 |
|
PLC、变频器、触摸屏综合实训平台 |
|
PLC可编程综合实训平台 |
|
电气控制综合实验系统 |
|
电气控制及工业数字化装调实训考核设备 |
|
电气综合实训装置、西门子S7-1200PLC综合实训设备 |
|
现代电气控制竞技实训装置 |
|
PLC综合实训台-1200 |
|
PLC综合实训平台-三菱 |
|
自动送料装车实训模型 |
|
PLC实训装置 |
|
柔性灌装自动化实训平台 |
|
PLC综合实训设备 |
|
机电一体化实训工作站 |
|
PLC可编程与变频技术综合实训装置 |
|
工业自动化网络控制平台(双面) |
|
工业自动化网络控制实训平台(单面) |
|
机电一体化综合实训考核系统 |
|
自动控制理论及计算机控制技术实验装置 |
|
工业互联网工程技术实训设备 |
|
电气自动化技术考核实训装置 |
|
自动控制原理实验装置 |
|
创新模块化自动生产线实训系统 |
|
PLC设备安装调试实验实训系统 |
|
工业运动控制技术实训台 |
|
电气控制与PLC控制实验装置 |
|
电气控制系统综合实训设备 |
|
可编程控制器实训装置 |
|
电气自动控制电路装调维修考核装置 |
|
机电一体化与工业网络高级应用实训平台 |
|
工业控制技术教学与考核平台 |
|
模块化柔性生产线实训系统(八站) |
|
柔性灌装自动化生产线实训系统 |
|
MES网络型模块式柔性自动化生产线实训设备 |
|
运动控制实验装置 |
|
运动控制综合实训装置 |
|
六工位PLC可编程控制器实训台 |
|
机电一体化综合创新教学平台 |
|
机电一体化综合实训考核设备 |
|
PLC可编程控制器、触摸屏、变频器 伺服控制实训平台 |
|
PLC可编程技术综合实训装置 |
|
PLC可编程控制实训设备 |
|
网络型PLC可编程控制技术综合实训装置 |
|
网络型可编程控制器综合实训装置 |
|
可编程控制器S7-1200综合实训设备 |
|
网络型PLC可编程控制器综合实训装置( PLC+ 变频 + 电气控制 + 触摸屏) |
|
可编程控制器综合实训装置(S7-1500) |
|
网络型PLC可编程控制器综合实训装置(PLC+变频+电气控制+触摸屏) |
|
西门子1214C网络型可编程控制器综合实训装置 |
|
网络型PLC可编程控制技术综合实训装置(PLC、变频器、触摸屏) |
|
网络型PLC实训装置,PLC控制+变频+触摸屏+步进+伺服 |
|
电气实训操作台(PLC+变频+电气控制+触摸屏) |
|
电气与PLC可编程控制综合实训装置 |
|
PLC可编程控制器综合实训装置 |
|
可编程控制综合实训装置 |
|
PLC可编程控制器实训装置 |
|
PLC可编程控制器实训装置 |
|
自动化控制技能实训台 |
|
物联网综合应用实训系统 |
|
物联网工程综合应用实训装置 |
|
物联网智能家居实训系统 |
|
PLC实训台 |
|
PLC电气技术实训装置 |
|
电气控制PLC实训台 |
|
可编程控制器、单片机综合实训装置 |
|
机电一体化实训平台 |
|
电气控制与PLC技术一体化实训设备 |
|
可编程技术实训设备 |
|
单片机技术应用实训考核装置 |
|
PLC控制技术与组态技术实训装置 |
|
单片机模拟实训台 |
|
单片机技术实训装置 |
|
单片机应用创新实验平台 |
|
单片机控制功能实训考核装置 |
|
单片机技术应用实训考核装置 |
|
PLC可编程控制器实验装置 |
|
PLC控制及变频驱动技术教学实训装置 |
|
可编程控制器综合实训装置(PLC+变频+电气控制+触摸屏)S7-1200 |
|
PLC综合控制实训装置 |
|
电机装配与运行检测实训平台 |
|
网络型PLC可编程控制器综合实训装置(PLC+变频+电气控制+触摸屏) |
|
网络型可编程控制器实验装置(三菱) |
|
工业网络控制实训装置 |
|
工业机械传动装调实训平台 |
|
工业数字化网络综合实训平台 |
|
工业运动控制技术实训装置 |
|
工业运动控制技术实训台 |
|
立体仓库实物教学实训装置 |
|
单片机控制二维运动实训设备 |
|
西门子工业控制与PLC综合实训平台 |
|
PLC可编程控制器实验箱 |
|
网络型可编程控制器综合实训平台 |
|
西门子S7-1500实训设备,PLC+变频+电气控制+触摸屏 |
|
工业网络与组态实训装置 |
|
可编程电气控制综合实训装置 |
|
PLC网络综合实验平台 |
|
PLC可编程控制器综合实训装置(欧姆龙) |
|
可编程控制器实训装置 |
|
可编程变频器及电气控制综合实训装置 |
|
工业自动化通信网络实验平台 |
|
工业自动化综合实训装置 |
|
工业控制综合实训装置 |
|
工业自动化通信网络实验台 |
|
可编程控制器自动化教学装置 |
|
变频技术实验设备 |
|
工学结合PLC实训台 |
|
(三菱PLC)综合实训装置 |
|
西门子PLC控制综合实训装置 |
|
PLC可编程变频调速综合实训装置 |
|
PLC单片机变频调速综合实训装置 |
|
PLC、变频器、电气控制、触摸屏实训装置 |
|
cr40plc可编程控制器综合实训装置 |
|
智能电控(PLC)实训平台 |
|
可编程(PLC)实训台 |
|
可编程控制实验装置 |
|
可编程控制实验装置及单片机综合实验台 |
|
可编程控制器、单片机、自动控制原理综合实验台 |
|
PLC试验台、PLC实验实训考核设备 |
|
PLC变频器、伺服驱动器、步进电机驱动器实训装置 |
|
工业自动化通讯网络实训系统 |
|
网络型PLC可编程控制实验装置 |
|
PLC可编程控制实训装置PLC+电气控制 |
|
网络型PLC可编程控制器综合实训装置 |
|
PLC变频器触摸屏培训设备 |
|
调速PLC可编程控制综合实训装置 |
|
PLC可编程控制器实验台(三菱FX3U-48MR、变频、触摸屏) |
|
PLC可编程控制器、单片机开发应用及电气控制综合实训装置 |
|
可编程控制器实训装置 |
|
单片机原理与应用实验平台 |
|
单片机应用综合实训平台 |
|
PLC单片机实训台 |
|
单片机控制技术实训平台 |
|
单片机可编程控制综合实验装置 |
|
单片机技术开发平台 |
|
单片机开发综合实验装置 |
|
单片机开发应用技术综合实验装置 |
|
单片机控制技术实训平台 |
|
创新型单片机和EDA设计综合实验开发装置 |
|
单片机•CPLD/FPGA开发综合实验装置 |
|
AB自动化控制实训装置 |
|
单片机应用技术实训装置 |
|
单片机控制功能实训考核装置 |
|
单片机开发系统、自动控制原理综合实验装置 |
|
网络型可编程控制器(1500 PLC)实验装置 |
|
PLC可编程控制器实验装置
(PLC+伺服+变频器+电气控制+触摸屏) |
|
工业物联网与自动化控制实训台 |
|
工业数字化网络综合实训平台 |
|
单片机应用实训考核装置 |
|
单片机应用创新实验平台 |
|
单片机技术应用实训考核装置 |
|
网络型可编程控制器(1200 PLC)实验装置 |
|
网络型PLC可编程控制器、自动控制原理综合实验装置 |
|
PLC单片机变频器触摸屏实训台 |
|
PLC可编程控制技术综合实训装置(PLC、变频器) |
|
网络型PLC可编程控制/微机接口及微机应用综合实验装置 |
|
网络型PLC可编程控制器综合实训装置(PLC+变频ABB+电气控制+触摸屏) |
|
网络型PLC可编程控制器综合实训装置(PLC+变频+电气控制+触摸屏) |
|
网络型PLC可编程控制器、变频调速、触摸屏、电气控制及单片机实验开发系统综合实验装置 |
|
网络型PLC可编程控制器、变频调速、触摸屏、电气控制及微机接口与微机应用综合实验装置 |
|
可编程控制系统实训平台 |
|
PLC实验实训台 |
|
PLC可编程控制实验及单片机实验开发系统综合实验装置 |
|
PLC可编程控制系统、单片机实验开发系统、自动控制原理综合实验装置 |
|
PLC可编程控制系统、微机接口及微机应用综合实验装置 |
|
计算机装调与维修技能鉴定装置 |
|
计算机组装与维护实训装置 |
|
信号与系统·控制理论·计算机控制技术实验台 |
|
单片机实训箱、 可编程控制器实验箱 |
|
工业机器人拆装和维护平台 |
|
工业机器人教学实训装置 |
|
工业机器人应用编程实训平台 |
|
工业机器人综合应用实训平台 |
|
工业机器人多功能实训台(ABB带视觉) |
|
工业机器人循环生产线实训装备 |
|
工业机器人基础实训设备(ABB机器人系统) |
|
工业机器人拆装与调试实训台 |
|
机器人应用实训室设备 |
|
工业机器人多功能实训平台 |
|
工业自动化实训平台 |
|
PLC可编程控制器综合实验装置 |
|
数字化工业控制实训平台 |
|
工业电气自动化及电工技能考核实训平台 |
|
可编程工业控制实训平台 |
|
PLC综合实训台 |
|
三菱FX3G-40MR光机电一体化实训考核装置 |
|
西门子S7-1200光机电一体化实训考核装置 |
|
PLC可编程控制器综合实训装置 |
|
工业自动化综合实训装置 |
|
工业自动化综合实训装置(PLC+变频器+触摸屏+单片机) |
|
工业全数字直流调速系统综合实训装置 |
|
变频调速系统开发平台 |
|
变频器工作原理实训设备 |
|
变频调速技术实训装置 |
|
直流调速实训装置 |
|
交直流调速实训装置 |
|
工业电气综合实训装置 |
|
工业自动化控制一体化实训室设备 |
|
工业自动化综合实训装置 |
|
工业自动化综合实训装置(PLC+变频器+触摸屏+单片机) |
|
工业自动化综合实训装置(西门子) |
|
工业控制创新实训平台 |
|
自动化生产线实训室设备 |
|
全数字交流调速系统实验装置 |
|
工业全数字控制实训装置 |
|
PLC训练装置 |
|
工业电气自动化及电工电子技能考核实训平台 |
|
工业运动控制技术实训台 |
|
网络型plc综合实验平台 |
|
工业控制与plc综合实训平台 |
|
工业自动化网络控制平台 |
|
可编程控制器(西门子)综合实训室 |
|
可编程控制器(三菱)综合实训室设备 |
|
液压传动实验台、液压PLC实验台、气动液压PLC实验台、电梯模型、智能建筑实验室设备 更多产品>> |
|
透明液压传动与PLC控制实训装置 |
|
液压与气动实训装置 |
|
工业液压与PLC控制实训装置 |
|
液压与气压传动综合实训装置(工业型) |
|
液压与气动工程技术实训台 |
|
PLC控制液压传动实训装备(单面液压) |
|
PLC控制气动实训装备(单面) |
|
透明液压传动与PLC控制实训装置 |
|
气动PLC控制实训装置 |
|
液压与气压传动(轧钢机)综合实训装置 |
|
液压传动测试实验台 |
|
工业型液压综合实验台 |
|
PLC控制液压与气动综合实训装置 |
|
机械装配平台与液压综合实训装置 |
|
液压元件拆装实训装置 |
|
液压与气压传动综合实训装置 |
|
液压气动PLC控制综合实训装置 |
|
实验教学用液压实验台(可视型) |
|
多功能气动教学实验台 |
|
液压气压传动与控制实训操作平台 |
|
透明液压传动与PLC实训装置 |
|
液压与气压PLC控制综合实训装置 |
|
透明液压与气动PLC控制综合实训装置(软件控制) |
|
透明液压传动与PLC控制实训装置 |
|
透明液压传动与PLC控制实训装置、挖掘机实训台 |
|
透明起重机液压系统与PLC控制实训装置 |
|
液压挖机与人机界面实训装置 |
|
高级电液压实训系统 |
|
透明液压传动与触摸屏实训装置 |
|
透明液压与气压传动综合实训装置(PLC控制、液压气动二合一) |
|
液压传动与PLC实训装置(工业型单面) |
|
PLC控制透明液压与气动综合实训装备 |
|
工程机械专业实训(验)设备 |
|
液压装载机实训系统 |
|
液压挖掘机实训系统 |
|
气动机械手实训考核装置 |
|
双面电气动PLC控制实训装置 |
|
气动传动实验台 |
|
液压传动基础实训箱 |
|
气动实训箱 |
|
液、气、电一体化实训平台 |
|
液压与气动PLC控制综合实训装置(工业型) |
|
气动机械手实训模型 |
|
透明液压传动与PLC实训装置 |
|
机电液气一体化实训平台 |
|
液压传动技术实验台 |
|
液压元件拆装实训台(实物) |
|
液压传动教学装置 |
|
气动实训教学装置 |
|
双面透明液压传动技术教学装置 |
|
透明液压传动演示系统 |
|
液压传动实验台 |
|
透明液压传动与PLC实训装置 |
|
透明液压PLC控制实训装置 |
|
气动PLC控制实训装置 |
|
透明液压与气动传动综合实训装置 |
|
多功能气动教学实训台 |
|
液压与气压传动综合实训台(工业型) |
|
工业型液压综合实验台 |
|
PLC控制液压与气动综合实训装置(工业型) |
|
透明液压传动与PLC控制实训装置 |
|
透明气动PLC控制实训装置 |
|
液压控制综合实训装置 |
|
气动控制综合实训装置 |
|
四合一透明液压传动演示系统 |
|
液压与气压实验台 |
|
透明液压传动与PLC实训装置(铝合金框架) |
|
透明液压挖掘机系统与PLC控制实训装置 |
|
透明液压装载机PLC控制实训台 |
|
透明液压推土机实训台 |
|
叉车液压系统实训台 |
|
挖掘机液压系统与PLC控制实训装置 |
|
透明液压PLC控制实验装置(挖掘机液压试验台) |
|
液压挖掘机实训装置 |
|
起重机械实训装置 |
|
装载机液压系统与PLC控制实训装置 |
|
起重机液压系统与PLC控制实训装置 |
|
液压与气压传动PLC综合实训装置(工业型) |
|
液压传动与PLC实训装置(工业型单面) |
|
透明装载机实训台 |
|
透明挖掘机实训台 |
|
传感器实训设备、传感器实验设备、实验箱类、变频调速实验装置、工业自动化实训设备 |
|
传感器与智能控制技术实训台(含视觉、工业RFID) |
|
电力系统传感器与检测技术实训系统 |
|
检测与传感检测技术实训装置 |
|
传感器与检测技术试验台 |
|
传感器应用技术实训考核设备 |
|
传感器检测技术实训平台 |
|
传感器与检测技术实训装置 |
|
检测与传感检测技术实训装置 |
|
传感器综合实训装置 |
|
智能工业传感器检测及控制实训台(含视觉) |
|
工业传感器检测及控制实训台 |
|
工业传感器应用与检测综合实训台 |
|
传感器技术实训室,传感器技术实训台,传感器技术实训装置 |
|
创新型测控传感器技术综合实验实训装置 |
|
传感与检测实训装置 |
|
传感器综合实验系统(22种传感器技术实验箱) |
|
检测与转换传感器技术实验仪(20种传感器) |
|
传感器系统综合实训装置 |
|
传感器技术实训装置 |
|
传感器应用技术实验设备 |
|
传感器应用技术实训考核设备 |
|
传感器综合实验设备 |
|
传感器系统实验仪 |
|
传感器与检测技术实验台 |
|
传感器技术实验箱 |
|
增强型型检测与转换(传感器)技术实验装置 |
|
压力传感器标定实验系统 |
|
热电阻和热点偶温度传感器校验实验系统 |
|
单片机传感器综合实验实训平台 |
|
液体流量仪表标定实验系统 |
|
压力控制测量实验装置 |
|
液位流量控制实验装置 |
|
气动薄膜控制阀与电气安装阀门定位调校实训置 |
|
检测与转换(传感器)技术实验17种箱 |
|
传感器与检测技术实训装置 |
|
创新型测控/传感器技术综合实验实训平台 |
|
流量控制测量装置 |
|
智能温度控制实训装置,自动温度测控实验装置 |
|
多媒体工程制图设计实验室设备 |
|
多功能升降式实用绘图桌 |
|
工程制图实验室设备 |
|
建筑工程制图实训室-土木工程实训室 |
|
钳工技能实训平台(六工位) |
|
六角钳工技能实训台 |
|
钳工技能实训考核平台 |
|
钳工职业技能等级鉴定考核装置 |
|
钳工技能实训台 |
|
焊工、铆工实操室成套设备 |
|
焊接多功能实训实验室成套设备 |
|
钳工实训室简介、钳工实训工作台 |
|
机电一体化实验室设备、教学数控车床、教学数控铣床、透明电机模型、变压器模型 更多产品>> |
|
光机电一体化控制实训系统 |
|
机电一体化实训装置 |
|
自动生产线拆装与调试实训装置 |
|
机电一体化实训装置 |
|
工业自动化综合实训装置 |
|
煤矿自动化控制实训平台 |
|
机电一体化综合实训考核设备 |
|
自动生产线装配与调试实训装置 |
|
自动化生产线实训考核装备 |
|
光机电气一体化控制实训平台 |
|
机电一体化综合实训实验系统 |
|
机电一体化系统综合实训平台 |
|
机电一体化综合系统实训装置 |
|
数字化工业机器人柔性生产线实训平台 |
|
MES网络型模块式柔性自动化生产线实训系统 |
|
MPS模块式柔性自动化生产线实训系统(六站) |
|
灌装自动化生产线实训装置,机电一体化技师实训考核装置 |
|
光机电一体化实训考核装置(六轴工业机器人) |
|
工业机械手实训装置 |
|
机电一体化综合实训考核系统 |
|
机电一体化综合系统实训设备 |
|
光机电一体化实训考核装置 |
|
自动化生产线实训考核平台 |
|
自动生产线实训装置 |
|
智能控制技术实训台 |
|
自动化控制技术实训装置 |
|
智能机电一体化综合实训考核设备 |
|
机电一体化综合实训系统 |
|
光机电气一体化实训装置 |
|
电机故障诊断与维修检测实训考核装置 |
|
机床电路实训考核设备 |
|
机床电路实训设备 |
|
机床自动化电气控制技能实训考核系统 |
|
机床电气线路(四合一)考核实训装置 |
|
机床电气控制实训装置(柜式双面、四合一、四种机床) |
|
机电一体化综合实训室设备、机电液气一体化实训平台 |
|
数控设备维修实验室设备、数控机床电气故障检测实训台 |
|
机电技术综合实训考核装置 |
|
光机电一体化实训考核装置 |
|
物料分拣实训装置 |
|
煤矿培训自动化试验台 |
|
自动生产线实训考核装置 |
|
工业自动生产线实训装置 |
|
机电一体化综合实训考核装置 |
|
光机电一体化实训室设备、自动生产线实训室设备 |
|
柔性自动化生产线实训系统(六站) |
|
机电气液一体化综合实训装置 |
|
机床PLC电气控制实训考核装置 |
|
机床电气与智能实训考核装置 |
|
3D虚拟机床及机床线路实训装置 |
|
机床电气装配与调试竞赛平台 |
|
机床电气控制技术实训台 |
|
网络化智能型机床电气技能实训考核装置 |
|
机床电气线路排故实训室设备 |
|
机床智能实训考核装置 |
|
机床电气培训考核实验装置 |
|
网孔型万能机床电路实训考核鉴定装置 |
|
数控铣床装调与维修考核实训设备 |
|
数控车床电气控制与维修实训考核装置 |
|
多系统数控机床虚实一体训练机 |
|
机床电气实训智能考核装置(五种机床) |
|
数控机床维修实训设备电气控制柜 |
|
数控车床电气安装与调试实训设备 |
|
车床综合维修考核装置(各种系统) |
|
精密双轴十字滑台实训设备 |
|
数控铣床装调与维修实训台 |
|
数控车床装调与维修实训台 |
|
数控加工中心实验室设备 |
|
数控加工中心装调与维修考核实训设备 |
|
数控车床装调与维修考核实训设备(GSK980TDi) |
|
数控铣床装调与维修考核实训设备(广数GSK-980MDi) |
|
数控车床维修综合实训台、数控铣床维修综合实训台 |
|
电工技能实训考核柜 |
|
机床电气控制技术及工艺实训考核装置(网孔板) |
|
数控车铣复合机床、五轴五联动数控加工中心、五轴数控加工中心虚实一体训练机 |
|
SINUMERIK 840DSL 五轴数控加工中心虚实一体训练机 |
|
多系统数控机床虚实一体训练机(三轴 |
|
多系统数控机床虚实一体训练机 |
|
数控五轴加工实训室设备 |
|
五轴数控加工中心虚实一体训练机 |
|
数控机床故障诊断与维修实训装置 |
|
步进电机交流伺服电动机驱动系统实验装置 |
|
光机电气一体化控制实训设备 |
|
光机电气一体化实训设备 |
|
光机电一体化控制实训装置 |
|
自动化生产线实训平台 |
|
智能制造人才综合实训室建设方案 |
|
自动生产线实训系统 |
|
MPS模块式柔性自动化生产线实训系统(六站) |
|
智能型万能机床电气实训考核鉴定装置 |
|
变压器/电机控制综合实验装置 |
|
电机及变压器综合实验装置 |
|
电机性能综合测试装置 |
|
电机与变压器维修实训设备 |
|
电机变压器维修及检测实训装置 |
|
电机故障诊断与维修检测实训考核装置 |
|
电机电控配线安装装置 |
|
机床电气控制实训装置 |
|
电机装配工技能实训装置 |
|
电机检修技能实训装置 |
|
电机拆装与维修实训台 |
|
无线遥控智能型综合机床电气电路实训考核鉴定装置 |
|
机床电气控制线路排故实训平台 |
|
模拟机床电气故障排除实训装置 |
|
机电一体化生产线实训设备 |
|
电气控制及PLC变频器电机实训装置 |
|
智能型四合一机床电气控制实训台 |
|
智能型四合一机床电气控制技能实训考核鉴定装置 |
|
电动葫芦智能培训考核鉴定设备 |
|
M7130K平面磨床电气培训装置 |
|
桥式起重机电气培训装置 |
|
龙门刨床电气技能实训考核装置 |
|
交流桥式起重机实训考核设备 |
|
Z3040B摇臂钻床电气技能实训考核装置 |
|
C650-2普通车床电气技能实训考核装置 |
|
Z3050摇臂钻床电路智能实训考核台 |
|
C6140普通车床电气技能实训考核装置 |
|
M7120平面磨床电气技能实训考核装置 |
|
T68镗床电气技能实训考核装置 |
|
X62W万能铣床电气技能实训考核装置 |
|
智能机床电路实训考核装置 |
|
空间及平面机构综合实验台
更多产品>> |
|
钳工技能实训考核平台
|
|
工业机械传动装调实训平台
|
|
机械传动装调综合实训平台
|
|
机构运动创新设计方案拼装及仿真实验台
|
|
机械基础实训室设备,机械设计实训设备,机械传动实训台 |
|
五金冲压模、拆装模具、铝合金拆装实训模具、注塑模具、冲孔模、级进模、复合模
|
|
机械基础综合实验室、机械设计实验室 |
|
机械传动性能综合测试实验台 |
|
机构创新组合设计实验台 |
|
机械运动创新方案拼装实验台 |
|
便携式机械系统传动创新组合设计实验台 |
|
单工位零件测绘实训装置 |
|
零件尺寸误差测量组合实训装置 |
|
零件形位误差测量组合实训装置 |
|
《几何体》实测绘图训练装置 |
|
《典型零件》实测绘图训练装置 |
|
《标准零件》实测绘图训练装置 |
|
《联接与配合》实测绘图训练装置 |
|
《千斤顶》实测绘图训练装置 |
|
《台虎钳》实测绘图训练装置 |
|
《齿轮泵》实测绘图训练装置 |
|
《减速器》实测绘图训练装置 |
|
测绘用装配体、齿轮泵、阀体及机件模型 |
|
减速器拆装教学模型 |
|
滚齿机教学模型 |
|
教学用插齿机实验台 |
|
轮系创新设计拼装及仿真实验台 |
|
机械传动方案优化综合测试实验台 |
|
曲柄滑块导杆凸轮机构实验台 |
|
螺栓与螺栓组联接综合实验台 |
|
创意组合机械系统装配训练综合实验平台 |
|
带传动效率测试分析实验台(基础型) |
|
液体动压滑动轴承实验台 |
|
便携式机械系统传动创新组合设计实验台 |
|
机械设计制造实训设备,自动化专业实训装置 |
|
曲柄导杆滑块凸轮测试实验装置 |
|
齿轮传动测试分析实验装置 |
|
链条与万向节传动测试实验装置 |
|
机械系统集成及参数可视化分析实验台 |
|
机械传动创意组合测试实验台 |
|
A型机械传动方案创意组合及参数分析实验台 |
|
B型机械传动方案创意组合及参数分析实验台 |
|
自动化夹具综合实验台 |
|
车刀量角仪 |
|
齿轮范成仪 |
|
四杆机构创客系统,零件搭接类实训设备 |
|
机械元件陈列柜 |
|
电机与变压器声动同步CD解说示教陈列柜 |
|
机械基础声动同步CD解说示教陈列柜 |
|
机械运动简图的测绘及分析实验模型 |
|
机械零件20教陈列柜 |
|
减速器声动同步CD解说示教陈列柜 |
|
机械原理声动同步CD解说示教陈列柜 |
|
机械制图16型陈列柜 |
|
模具示教陈列柜 |
|
金属切削示教陈列柜 |
|
金属工艺学CD解说示教陈列柜 |
|
公差配合陈列柜
|
|
钳工工艺学陈列柜 |
|
金属刀具陈列柜 |
|
机床夹具设计陈列柜 |
|
机械综合陈列柜《机械原理》《机械零件》《减速器》 |
|
车工工艺学陈列柜 |
|
机械设计基础陈列柜 |
|
机械设备拆装实训台 |
|
大型量具陈列柜 |
|
《机械创新设计》示教陈列柜 |
|
气动液压示教陈列柜 |
|
机械原理实训设备,机械创新实训装置,机械设计实训设备,机械传动实训设备 |
|
机械装调技术综合实训装置 |
|
机械制图模型,机械制图教学模型 |
|
机械制图立体示教模型、测绘模型画法几何投影箱 |
|
《机械基础》(中国劳动社会保障劳动版) |
|
机械设计拆装实验室,机械设计实验室 |
|
公差与检测技术实训室 |
|
机械系统搭接装配训练实验台 |
|
透明电动机实训教学模型、变压器教学模型 |
|
减速器拆装实验室,拆装实验用大型减速器教学模型(全铝制) |
|
机械装调技术综合实训装置 |
|
机械运动创新设计搭接实验台 |
|
机械机构基础实验台、机构创新实验台、动平衡原理实验台、轴系结构实验箱、机构搭接测试实验台、齿轮范成 |
|
透明五金冲压模拟机、透明液压注塑机演示模型、透明注塑成型模拟机、铝合金模具拆装模型 |
|
机械装调技术综合实训装置、机械设备装调与控制技术实训装置、机械装配技能综合实训平台 |
|
机械制图模型,机械机构模型,机械零件模型,机械原理模型,部件模型 |
|
电机及电子专业实训室、电工技术实训室 |